阿摩線上測驗
登入
首頁
>
電機機械
> 97年 - 97年第一次專門職業及技術人員高等暨普通消防設備人員、普通不動產經紀人、97年普通專責報關人員、保險從業人員、97年中醫師、驗船師驗船師#38652
97年 - 97年第一次專門職業及技術人員高等暨普通消防設備人員、普通不動產經紀人、97年普通專責報關人員、保險從業人員、97年中醫師、驗船師驗船師#38652
科目:
電機機械 |
年份:
97年 |
選擇題數:
0 |
申論題數:
10
試卷資訊
所屬科目:
電機機械
選擇題 (0)
申論題 (10)
⑴ 當負載 RL=10Ω 時,試求負載通過負載 RL之電流及其消耗功率。(10 分)
⑵ 若要使負載之消耗功率最大,RL應該為多少?(10 分)
⑴ 試求此電路之轉換函數(transfer function)。(7 分)
⑵ 此濾波器屬於何種型式濾波器?(7 分)
⑶ 若 C=1μF, R=10Ω,試求濾波器的截止頻率(cutoff frequency)。(6 分)
⑴ 敘述理想運算放大器的特性。(10 分)
⑵ 若操作範圍在線性範圍內,試求 vo(t)/ vi(t)。(10 分)
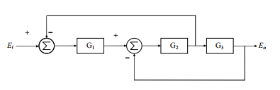
【已刪除】四、一系統之方塊圖如下,試求其轉換函數(transfer function)。(20 分)
⑴ 試求通過馬達 L1之電流。(10 分)
⑵ 若將兩並聯馬達視為一等效負載,試求此等效負載的平均功率與功率因素。(10 分)
相關試卷
115年 - 115 關務特種考試_三等_電機工程(選試英文):電機機械#138915
115年 · #138915
114年 - 114 台灣自來水股份有限公司_評價職位人員甄試試題_技術士操作類-甲(機電)、技術士操作類-甲(限具中級以上電氣技術人員資格報考)、技術士操作類-甲(機電)(限原住民族報考):電機(工)機械#139521
114年 · #139521
114年 - 114 地方政府公務特種考試_三等_電力工程:電機機械#134760
114年 · #134760
114年 - 114 專技高考_電機工程技師:電機機械#133717
114年 · #133717
114年 - 114 關務升官等考試、交通事業郵政升資考試_薦任、員級晉高員級_電力工程、技術類(選試電機機械)—關務、郵政:電機機械#133262
114年 · #133262
114年 - 114 交通事業郵政升資考試_佐級晉員級_技術類(選試電機機械概要)—郵政:電機機械概要#133211
114年 · #133211
114年 - 114 高等考試_二級_電力工程:電機機械#131612
114年 · #131612
114年 - 114 高等考試_三級_電力工程:電機機械#128777
114年 · #128777
114年 - 114 關務特種考試_三等_電機工程(選試英文):電機機械#126668
114年 · #126668
113年 - 113-2 國營臺灣鐵路股份有限公司_從業人員甄試_第8階-助理工程師-機械 第8階-助理工程師-電機:電機機械#137140
113年 · #137140