阿摩線上測驗
登入
首頁
>
電機機械
>
97年 - 97年第一次專門職業及技術人員高等暨普通消防設備人員、普通不動產經紀人、97年普通專責報關人員、保險從業人員、97年中醫師、驗船師驗船師#38652
> 申論題
題組內容
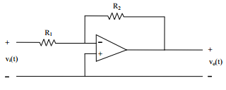
三、一運算放大器(op amp)電路如下圖,其中 R1=1kΩ, R2=2kΩ,輸入為 vi(t),輸出為 vo(t)。
⑵ 若操作範圍在線性範圍內,試求 vo(t)/ vi(t)。(10 分)
相關申論題
⑴ 當負載 RL=10Ω 時,試求負載通過負載 RL之電流及其消耗功率。(10 分)
#114622
⑵ 若要使負載之消耗功率最大,RL應該為多少?(10 分)
#114623
⑴ 試求此電路之轉換函數(transfer function)。(7 分)
#114624
⑵ 此濾波器屬於何種型式濾波器?(7 分)
#114625
⑶ 若 C=1μF, R=10Ω,試求濾波器的截止頻率(cutoff frequency)。(6 分)
#114626
⑴ 敘述理想運算放大器的特性。(10 分)
#114627
⑴ 試求通過馬達 L1之電流。(10 分)
#114630
⑵ 若將兩並聯馬達視為一等效負載,試求此等效負載的平均功率與功率因素。(10 分)
#114631
四、有一部分激式直流電動機,已知分激場電阻為 500 Ω,電樞電阻為 10 Ω, 額定激磁電流為 0.5 A,額定電樞電流為 3 A。此電動機於外加額定電壓下, 其實驗測試數據如表一所示。若不計電刷壓降、電樞反應、鐵損以及機械損失,根據上述實驗數據,此電動機之額定轉速與額定效率各約為何? (25 分)
#569836
三、某製造廠有兩部具備並聯運轉條件之三相交流同步發電機 A 與 B,額定 容量分別為 3 MW 與 4 MW,單機之頻率-負載功率特性曲線(frequency- power curve)如圖二所示。若將此兩部同步發電機進行並聯運轉,供應 5 MW 之負載,則並聯後之系統頻率(Hz)為若干?又每部發電機各分攤 多少負載功率(MW)?(25 分)
#569835
相關試卷
115年 - 115 關務特種考試_三等_電機工程(選試英文):電機機械#138915
115年 · #138915
114年 - 114 台灣自來水股份有限公司_評價職位人員甄試試題_技術士操作類-甲(機電)、技術士操作類-甲(限具中級以上電氣技術人員資格報考)、技術士操作類-甲(機電)(限原住民族報考):電機(工)機械#139521
114年 · #139521
114年 - 114 地方政府公務特種考試_三等_電力工程:電機機械#134760
114年 · #134760
114年 - 114 專技高考_電機工程技師:電機機械#133717
114年 · #133717
114年 - 114 關務升官等考試、交通事業郵政升資考試_薦任、員級晉高員級_電力工程、技術類(選試電機機械)—關務、郵政:電機機械#133262
114年 · #133262
114年 - 114 交通事業郵政升資考試_佐級晉員級_技術類(選試電機機械概要)—郵政:電機機械概要#133211
114年 · #133211
114年 - 114 高等考試_二級_電力工程:電機機械#131612
114年 · #131612
114年 - 114 高等考試_三級_電力工程:電機機械#128777
114年 · #128777
114年 - 114 關務特種考試_三等_電機工程(選試英文):電機機械#126668
114年 · #126668
113年 - 113-2 國營臺灣鐵路股份有限公司_從業人員甄試_第8階-助理工程師-機械 第8階-助理工程師-電機:電機機械#137140
113年 · #137140