阿摩線上測驗
登入
首頁
>
工程力學(包括流體力學與材料力學)
> 97年 - 97 地方政府特種考試_三等_土木工程:工程力學(包括流體力學與材料力學)#30890
97年 - 97 地方政府特種考試_三等_土木工程:工程力學(包括流體力學與材料力學)#30890
科目:
工程力學(包括流體力學與材料力學) |
年份:
97年 |
選擇題數:
0 |
申論題數:
6
試卷資訊
所屬科目:
工程力學(包括流體力學與材料力學)
選擇題 (0)
申論題 (6)
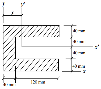
【已刪除】一、試計算圖中ㄈ字形面積之形心(centroid)座標 x 與其對形心座標軸y'之慣性矩Iy' ( moment of inertia)。(20 分)
【已刪除】二、圖示物塊之質量為 50 kg,與地面之動摩擦係數為μ
k
=0.4。物塊於時間t=0 之初速 度為 4 m/sec,從此開始受到外力F=60 s
2
作用,作用力夾角θ=36.87°,式中F之單 位為N,s為時間t=0 開始算起之運動距離(單位為m)。試求當s=5 m時該物塊之 速度。(20 分)
【已刪除】三、如圖之結構中,桿件BC、CD及EF為三根等截面之實心圓桿,長度皆為L;楊氏模數 皆為E;截面積分別為A
1
,A
2
,A
3
,而A
1
=A,A
2
=2A,A
3
=3A。B端及F端為固定端 ,CD及EF兩桿之間有空隙d。在C點施加外力PC,並在EF桿均勻加熱,使EF桿全桿 溫度皆上升ΔT的溫度。假設BC及CD兩桿之溫度不變,同時PC及ΔT已超過使桿件 BC、CD及EF形成串聯所需之最小值。試求BC桿、CD桿及EF桿之內力F1,F2,F3。 (20 分)
⑴若欲使C點撓度為零(即δC=0),試求需於AB間箱梁內部置放的單位長度壓重 wC?(15 分)
⑵外伸長度a為多少時可不需壓重(即wC=0)即可使C點撓度為零?(5 分)
【已刪除】五、兩輪相距 L/4 ,且位於簡支梁跨距之中間位置,如圖所示,試用力矩-面積法(momentarea method)求 A 點之轉角及梁之最大撓度。(20 分)
相關試卷
114年 - 114 公務升官等考試_薦任_土木工程:工程力學(包括流體力學與材料力學)#133245
114年 · #133245
113年 - 113 地方政府公務特種考試_三等_土木工程:材料力學#124539
113年 · #124539
112年 - 112 公務升官等考試_薦任_土木工程:工程力學(包括流體力學與材料力學)#117162
112年 · #117162
112年 - 112 原住民族特種考試_三等_土木工程:工程力學(包括流體力學與材料力學)#116539
112年 · #116539
111年 - 111 原住民族特種考試_三等_土木工程:工程力學(包括流體力學與材料力學)#110630
111年 · #110630
110年 - 110 公務升官等考試_薦任_土木工程、結構工程:工程力學(包括流體力學與材料力學)#103690
110年 · #103690
110年 - 110 原住民族特種考試_三等_土木工程:工程力學(包括流體力學與材料力學)#101004
110年 · #101004
109年 - 109 原住民族特種考試_三等_土木工程:工程力學(包括流體力學與材料力學)#90831
109年 · #90831
108年 - 108 公務人員升官等公務薦任_土木工程:工程力學(包括流體力學與材料力學)#80522
108年 · #80522
108年 - 108 特種考試原住民族三等 工程力學(包括流體力學與材料力學)#79058
108年 · #79058