阿摩線上測驗
登入
首頁
>
結構學概要與鋼筋混擬土學概要
> 97年 - 97 身心障礙特種考試_四等_土木工程:結構學概要與鋼筋混凝土學概要#35715
97年 - 97 身心障礙特種考試_四等_土木工程:結構學概要與鋼筋混凝土學概要#35715
科目:
結構學概要與鋼筋混擬土學概要 |
年份:
97年 |
選擇題數:
0 |
申論題數:
6
試卷資訊
所屬科目:
結構學概要與鋼筋混擬土學概要
選擇題 (0)
申論題 (6)
【已刪除】一、有一梁如下圖所示,試求 C 點剪力及彎矩之影響線。(25 分)
【已刪除】二、有一桁架如下圖所示,假設各桿之斷面積均為 A,楊氏係數均為 E,試求 D 點之水 平位移。(25 分)
【題組】
。⑴此梁之平衡鋼筋面積 A
sb
為何?
【題組】
⑵如此梁之鋼筋面積小於平衡 鋼筋面積 A
sb
,試述其可能的破壞模式。
【題組】
⑶如此梁之鋼筋面積大於平衡鋼筋面積A
sb
, 試述其可能的破壞模式。(25 分)
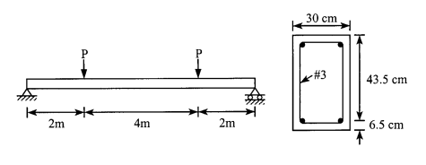
【已刪除】四、有一鋼筋混凝土簡支梁如下圖所示,
。此梁承 受均佈靜載重
(含梁自重)及兩個集中活載重 P=7tf,如使用#3 鋼筋 (斷面積 )為剪力筋,採用
之載重係數及組合,且強 度折減係數φ = 0.85,設計此梁於簡支撐處之剪力筋間距 S。(25 分)
相關試卷
115年 - 115 身心障礙特種考試_四等_土木工程:結構學與鋼筋混凝土學概要#138950
115年 · #138950
114年 - 114 地方政府公務、離島地區公務特種考試_四等_土木工程:結構學與鋼筋混凝土學概要#134785
114年 · #134785
114年 - 114 原住民族特種考試_三等_土木工程:結構學與鋼筋混凝土學#130980
114年 · #130980
114年 - 114 原住民族特種考試_四等_土木工程:結構學與鋼筋混凝土學概要#130949
114年 · #130949
114年 - 114 普通考試_土木工程:結構學與鋼筋混凝土學概要#128751
114年 · #128751
114年 - 114 身心障礙特種考試_四等_土木工程:結構學與鋼筋混凝土學概要#126635
114年 · #126635
113年 - 113-2 國營臺灣鐵路股份有限公司_從業人員甄試試題_第10階-助理技術員-土木工程:結構學概要與鋼筋混凝土學大意#137204
113年 · #137204
113年 - 113 國營臺灣鐵路股份有限公司_從業人員甄試_第 10 階-助理技術員-土木工程:結構學概要與鋼筋混凝土學大意#137172
113年 · #137172
113年 - 113 地方政府公務、離島地區公務特種考試_四等_土木工程:結構學與鋼筋混凝土學概要#124558
113年 · #124558
113年 - 113 地方政府公務、離島地區公務特種考試_四等_土木工程:結構學與鋼筋混凝土學概要#124322
113年 · #124322