阿摩線上測驗
登入
首頁
>
鋼筋混凝土學與設計
> 97年 - 97 高等考試_三級_土木工程:鋼筋混凝土學與設計#38247
97年 - 97 高等考試_三級_土木工程:鋼筋混凝土學與設計#38247
科目:
鋼筋混凝土學與設計 |
年份:
97年 |
選擇題數:
0 |
申論題數:
4
試卷資訊
所屬科目:
鋼筋混凝土學與設計
選擇題 (0)
申論題 (4)
【已刪除】※下列各題之計算採用之規定及常數如下:(各題如有條件不足時,請自行合理假設)
甲.靜載重因數 1.2,活載重因數 1.6
乙.強度折減因數:
1.拉力控制斷面:0.90( ε
t
大於 0.005)
2.壓力控制斷面:0.65( f y = 4200 kgf / cm
2
時,ε
t
小於 0.002)
3.過渡斷面:介於1及2間者,
ε
t
為構件破壞時最外受拉鋼筋淨拉應變值
4.剪力:0.75
5.柱:0.65
丙.E
s
=2.04✕ 10
6
/cm
2
一、一矩形單筋混凝土梁,梁寬 35 cm、梁有效深 50 cm,張力鋼筋為 4 根 D25 鋼筋(D25 鋼筋,A
b
=5.067 cm
2
, db=2.54 cm )。混凝土抗壓強度
,鋼筋降伏 強度
,試計算該梁之彎矩設計強度φMn。(15 分)
二、試設計一淨跨度為 10 m 之簡支矩形單筋混凝土梁,須符合建築上之特殊考慮要求: 梁寬 35 cm,總梁深為 50 cm,及淨保護層限用 4 cm。總設計載重wu = 2.5 tf / m(包 含 梁 自 重 在 內 ) 。 使 用 混 凝 土 抗 壓 強 度 f 'c= 280 kgf/ cm2 , 鋼 筋 降 伏 強 度 f
y
= 4200 kgf /cm
2
。須以梁中央斷面進行彎矩設計(主筋限用 D25 鋼筋)及以臨界斷 面進行剪力設計(箍筋限用 D10 鋼筋)。(35 分) ( 註 : D10 鋼 筋 , A
b
=0.71cm
2
,d
b
= 0.95cm ; D25 鋼 筋 , A
b
=5.067 cm
2
, d
b
= 2.54cm 。)
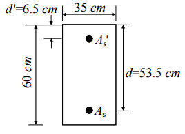
【已刪除】三、一矩形鋼筋混凝土梁,因物理之限制要求:梁寬 35 cm、梁全深 60 cm,如下圖所示, 混凝土抗壓強度 f 'c= 280 kgf /cm
2
,鋼筋降伏強度 f y=4200 kgf cm 2 。梁斷面須承受 正設計彎矩M
u
=120 tf - m 。試檢核該梁可否採單筋斷面設計?若不可,試計算其 雙筋斷面之鋼筋量。(25 分)
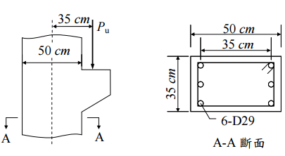
【已刪除】四、如圖所示之橫箍矩形短柱(short tied column),斷面尺寸35 cm✕50 cm,混凝土抗壓強 度f 'c = 280kgf cm
2
,鋼筋降伏強度 f
y
=4200 kgf /cm
2
。假設箍筋與托架之設計是適當 的,試求其偏心 35 cm 之設計軸向載重強度φPn 。(25 分) (註:D29 鋼筋,Ab =6.47cm
2
,db = 2.87cm。)
相關試卷
114年 - 114 地方政府公務、離島地區公務特種考試_三等_土木工程:鋼筋混凝土學與設計#134753
114年 · #134753
114年 - 114 高等考試_三級_土木工程:鋼筋混凝土學與設計#128726
114年 · #128726
113年 - 113-2 國營臺灣鐵路股份有限公司_從業人員甄試試題_第9階-技術員-土木工程:鋼筋混凝土學與設計概要#137156
113年 · #137156
113年 - 113 國營臺灣鐵路股份有限公司_從業人員甄試_第8階-助理工程師-土木工程:鋼筋混凝土學與設計#137104
113年 · #137104
113年 - 113-2 國營臺灣鐵路股份有限公司_從業人員甄試_第8階-助理工程師-土木工程:鋼筋混凝土學與設計#137090
113年 · #137090
113年 - 113-2 國營臺灣鐵路股份有限公司_從業人員甄試_第 9 階-技術員-土木工程:鋼筋混凝土學與設計概要#135450
113年 · #135450
113年 - 113 地方政府公務、離島地區公務特種考試_三等_土木工程:鋼筋混凝土學與設計#124342
113年 · #124342
113年 - 113 高等考試_三級_土木工程:鋼筋混凝土學與設計#121483
113年 · #121483
113年 - 113 國營臺灣鐵路股份有限公司_從業人員甄試_第 9 階-技術員-土木工程:鋼筋混凝土學與設計概要#119089
113年 · #119089
112年 - 112 地方政府特種考試_三等_土木工程:鋼筋混凝土學與設計#118382
112年 · #118382