阿摩線上測驗
登入
首頁
>
工程力學(包括流體力學與材料力學)
> 98年 - 98 原住民族特種考試_三等_土木工程:工程力學(包括流體力學與材料力學)#37858
98年 - 98 原住民族特種考試_三等_土木工程:工程力學(包括流體力學與材料力學)#37858
科目:
工程力學(包括流體力學與材料力學) |
年份:
98年 |
選擇題數:
0 |
申論題數:
4
試卷資訊
所屬科目:
工程力學(包括流體力學與材料力學)
選擇題 (0)
申論題 (4)
【已刪除】一、試求圖示陰影面積之形心。(25 分)
【已刪除】二、有一L形懸臂梁(如下圖所示)端點受力P
1
=2 kN,P
2
=4 kN,梁斷面為 60 mm直 徑之圓形斷面,AB長 1.3 m,BC長 0.4 m,試求A斷面上p點與s點之最大、最小主應 力及最大剪應力。(25 分)
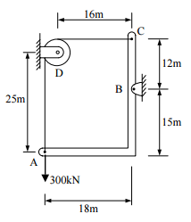
【已刪除】三、圖中 ABC 為剛性構件(rigid member),B 點為鉸支(hinge),D 點為無摩擦之滾 輪(pulley),繩索 ADC 為不可拉伸。已知滾輪半徑為 2 m,試計算繩索 ADC 之 張力與 B 點之反力(reaction)。(25 分)
【已刪除】四、如圖示之瞬間,物體 A 以速度 4 m/sec 向右運動,此時開始記錄運動的距離。已知 物體 A 質量 10 kg,物體 B 質量 20 kg,物體 A 與桌面之動摩擦係數µk =0.3。若無 摩擦之滑輪及繩子重量忽略不計,試求當物體 A 向右運動 5 m 時,物體 A 的速度、加 速度及繩子的張力。(25 分)
相關試卷
114年 - 114 公務升官等考試_薦任_土木工程:工程力學(包括流體力學與材料力學)#133245
114年 · #133245
113年 - 113 地方政府公務特種考試_三等_土木工程:材料力學#124539
113年 · #124539
112年 - 112 公務升官等考試_薦任_土木工程:工程力學(包括流體力學與材料力學)#117162
112年 · #117162
112年 - 112 原住民族特種考試_三等_土木工程:工程力學(包括流體力學與材料力學)#116539
112年 · #116539
111年 - 111 原住民族特種考試_三等_土木工程:工程力學(包括流體力學與材料力學)#110630
111年 · #110630
110年 - 110 公務升官等考試_薦任_土木工程、結構工程:工程力學(包括流體力學與材料力學)#103690
110年 · #103690
110年 - 110 原住民族特種考試_三等_土木工程:工程力學(包括流體力學與材料力學)#101004
110年 · #101004
109年 - 109 原住民族特種考試_三等_土木工程:工程力學(包括流體力學與材料力學)#90831
109年 · #90831
108年 - 108 公務人員升官等公務薦任_土木工程:工程力學(包括流體力學與材料力學)#80522
108年 · #80522
108年 - 108 特種考試原住民族三等 工程力學(包括流體力學與材料力學)#79058
108年 · #79058