阿摩線上測驗
登入
首頁
>
鋼筋混凝土學與設計
> 98年 - 98 地方政府特種考試_三等_土木工程:鋼筋混凝土學與設計#32582
98年 - 98 地方政府特種考試_三等_土木工程:鋼筋混凝土學與設計#32582
科目:
鋼筋混凝土學與設計 |
年份:
98年 |
選擇題數:
0 |
申論題數:
5
試卷資訊
所屬科目:
鋼筋混凝土學與設計
選擇題 (0)
申論題 (5)
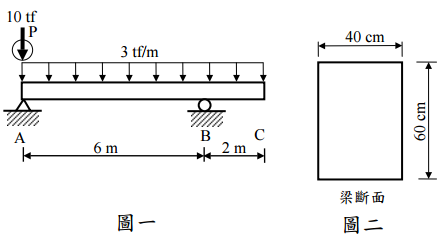
【已刪除】一、如圖一、二所示之鋼筋混凝土梁與其斷面,有效深度d=52 cm。梁除自重外將承受 之工作載重有均佈靜載重 3 tf/m作用於梁全長上,與可隨處移動之一集中活載重P =10 tf。試以現行設計規範計算B點之撓曲鋼筋量A
s
(以單筋梁設計)為何?並繪 斷面圖標示之。混凝土f '
c
=350 kgf/cm
2
,鋼筋f
y
=4200 kgf/cm
2
。(25 分)
【已刪除】二、圖三所示為鋼筋混凝土柱斷面。當柱斷面承受軸力與單軸彎矩而達破壞時,其應變分布 如圖四所示,試計算其軸力計算強度Pn與彎矩計算強度M
n
。混凝土f'
c
中性軸 =210 kgf/cm
2
,鋼 筋f
y
=4200 kgf/cm
2
,ㄧ根#9 鋼筋截面積為 6.47 cm
2
,鋼筋E
s
=2.04×10
6
kgf/cm
2
。( 25 分)
⑴如圖五所示之鋼筋混凝土梁斷面,已知現行設計規範計算裂紋控制之 z 值無法滿 足室內構件之規定。在不改變斷面尺寸下,試列舉改善之方法。(10 分)
⑵如圖六所示之鋼筋混凝土梁斷面,試以現行設計規範計算裂紋控制之 z 值為何? (15 分)
【已刪除】
四、圖七所示為一連接於兩內柱間之耐震梁斷面圖,梁淨跨距為 9 m。梁於柱面處配置 9 根#10 頂層鋼筋與 6 根#10 底層鋼筋。ㄧ根#10 鋼筋截面積為 8.14 cm
2
。混凝土
f 'c =350 kgf/cm
2
,#10 鋼筋f
y
=4200 kgf/cm
2
。梁跨距內之設計重力均佈載重為 2 tf/m。 試以耐震設計規範,設計此梁於靠近柱端處所需之#4 剪力筋(f
y
=2800 kgf/cm
2
)之間 距。ㄧ根#4 鋼筋截面積為 1.27 cm2 。(25 分)
相關試卷
114年 - 114 地方政府公務、離島地區公務特種考試_三等_土木工程:鋼筋混凝土學與設計#134753
114年 · #134753
114年 - 114 高等考試_三級_土木工程:鋼筋混凝土學與設計#128726
114年 · #128726
113年 - 113-2 國營臺灣鐵路股份有限公司_從業人員甄試試題_第9階-技術員-土木工程:鋼筋混凝土學與設計概要#137156
113年 · #137156
113年 - 113 國營臺灣鐵路股份有限公司_從業人員甄試_第8階-助理工程師-土木工程:鋼筋混凝土學與設計#137104
113年 · #137104
113年 - 113-2 國營臺灣鐵路股份有限公司_從業人員甄試_第8階-助理工程師-土木工程:鋼筋混凝土學與設計#137090
113年 · #137090
113年 - 113-2 國營臺灣鐵路股份有限公司_從業人員甄試_第 9 階-技術員-土木工程:鋼筋混凝土學與設計概要#135450
113年 · #135450
113年 - 113 地方政府公務、離島地區公務特種考試_三等_土木工程:鋼筋混凝土學與設計#124342
113年 · #124342
113年 - 113 高等考試_三級_土木工程:鋼筋混凝土學與設計#121483
113年 · #121483
113年 - 113 國營臺灣鐵路股份有限公司_從業人員甄試_第 9 階-技術員-土木工程:鋼筋混凝土學與設計概要#119089
113年 · #119089
112年 - 112 地方政府特種考試_三等_土木工程:鋼筋混凝土學與設計#118382
112年 · #118382