阿摩線上測驗
登入
首頁
>
國營事業◆1.應用力學 2.材料力學
> 98年 - 98 經濟部所屬事業機構_新進職員甄試_土木、機械:1.應用力學 2.材料力學#37041
98年 - 98 經濟部所屬事業機構_新進職員甄試_土木、機械:1.應用力學 2.材料力學#37041
科目:
國營事業◆1.應用力學 2.材料力學 |
年份:
98年 |
選擇題數:
60 |
申論題數:
0
試卷資訊
所屬科目:
國營事業◆1.應用力學 2.材料力學
選擇題 (60)
1•長度60 cm且重量20kgw之一細長桿予以支承如圖⑴,繩被切斷後可自由擺動。 試求此桿首次通過垂直位置時之角速度大小? N (A) 7.0 rad/s (B) 9.5 rad/s (C) 12.3 rad/s (D) 14.0 rad/s
重新載圖
2•在平面上有一力
,作用在A點,A點在直角座標X-Y上 位置為(-5,10),試求此力對座標原點(0,0)之彎矩?(註:[
為 垂直於X-Y平面Z軸之單位向量) (A) 55
(B) -55
(C) 90
(D) -90
3•半圓形之形心位置C,與x軸距離為
,試求
之值?(註;
,A為面積)如圖(2) 圖(2)
,ABCDEF為一複合桁架,在接點B上受有一水平負荷2P, 試問DE桿之軸力大小? (A) 0(B)P (C)
(D)2P
5,承第4題,試問AF桿之轴力大小? (A) 0 (B) P (C)
(D)2P
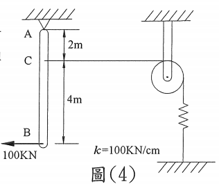
6。如圖(4),桿件AB,A端鉸接,B端受水平向左100kN的力,C點連 接水平方向的索線,索線繞過滑輪,連接於彈簧常數k = 100 kN/cm 的彈簧。若不考慮滑輪與索線的摩擦力,亦不考慮AB桿件的自重 ,且AB桿件視為完全剛性。試問B點向左拉了多遠時,系統達到 平衡?(假設於圖示的狀態時,彈簧無伸長縮短)。 . (A) 3 cm (B) 6 cm (C) 9 cm (D) 12 cm
,如球飛來速度為20m/s ←),揮拍以20m/s速 度
回擊,兩者夾角60° (不計重力作用)’如圖(5),求球 之動量變化大小為多少kg-m/s? (A) 2 (B) 2√3 (C) 4 (D) 4√3
8,承第7題,如球與拍接觸時間為(1002 sec,求擊球力之平均值? (A) 2000 N (B) 1732 N (C) 1000 N (D) 866 N
9兩等重物體從同一高度釋放,其中一個以水平拋出,另一個自由落 下,若空氣阻力作用不計,則下列敘述何者正確? (A)自由落下者先著地 (B) (C)兩者會同時著地 (D)何者先著地,需視水平拋出速度大小而定
10•如圖(6)用一等效力F作用在槓桿上以代替圖示之力偶與力。試求該 等效力作用點到轴心之距離
。 (A) 300mm(B) 360 mm (C) 420 mm (D) 480 mm
11半徑為O.5m之定滑輪,繞了長繩,一端接質量1kg之物體,如圖(7)。 物體自靜止下降,第3秒末,物體下降了 9m,試求滑輪角加速度大小? (A) 4 rad/s
2
(B) 6 rad/s
2
(C) 8 rad/s
2
(D) 10 rad/s
2
12,—質量為m之質點附在一質量可略去之長桿一端。該長桿能以其 另一端為轴在一垂直面上無摩擦地自由旋轉。若長桿最初靜止於 與鉛垂線成60°角之位置如圖(8),則放下後質點落到最低點時, 長桿之張力大小為何? (A) 1 mg (B) 2 mg (C) 3 mg (D) 4 mg
13. 圖(9)中重量為W之物體,由高度h落至彈性常數為k之彈簧上。設彈簧 最大壓縮量為δ,則下列敘述何者正確?
(A)彈簧最大壓縮量δ= W/k (B)當物體W落至x = δ處時,其動能達最大值 (C)當高度 h=0,則 δ= 2W/k (D)當物體位於 0 < x < δ間,彈簧所儲存位能等於物體損失之位能
14,已知平面力向量A、B、C可形成一封閉三角形,若力向量 A、B、C作用於一剛體如圖(10),試描述剛體之運動情形。 (A)不平移且不旋轉 (B)平移且旋轉(C)平移但不旋轉 (D)不平移但旋轉
15試求圖(11)中,滑輪在「O」點處承受知反作用力的方向?
16.三維空間剛體結構保持平衡,所需滿足之平衡方程式數目為何? (A)3 (B)4 (C) 6(D)9
17.下列何者不是向量? (A)加速度 (B)彎矩 (C)重力 (D)速率
18.對空間共點非平行力系而言 ,有幾條獨立之平衡方程式?(A) 2 條, (B) 3 條 (C)5 條 (D)6 條
19三角桁架受一水平力P,如圖(12)所示,試問各桿件受力狀況? (A) a桿壓力,b桿拉力,c桿壓力 (B) a桿拉力,b桿壓力,c桿拉力 (C) a桿壓力’ b桿壓力’ c桿壓力(D) a桿壓力’ b桿拉力’ c桿拉力
20•三度空間有三個大小相等且平衡之力,若此三力皆異於零,則 (A)此三力不共平面且不交會 (B)此三力共平面 (C)此三力共線 (D)此三力不共平面但交會
21,直徑d=30 mm之圓桿,如圖(13)所示受P =50 kN之轴向負載,則桿中之最大剪應力τ
max
為何? (A) 40.37 MPa (B) 35.37 MPa (C) 45.37 MPa (D) 30.37 MPa
22•—簡支樑其上承受一均佈負載12 kN/m (含樑本身重量)如圖(14)所示,假設樑長為3 m的矩 形剖面樑,其寬為180 mm,高為240 mm,則最大的剪應力τ
max
為何? (A) 625 kPa (B) 630 kPa (C) 635 kPa (D) 640 kPa
23,圓柱形薄壁壓力容器,直徑為1m, 12KN/m 壁厚為10匪,圓柱筒内流體壓力為 800 kPa,下列敘述何者正確? (A)周向應力為20 MPa (B)縱向應力為40 MPa (C)周向應力為40 MPa (D)縱向應力為30 MPa
24如圖(15)所示之等截面鋼桿,長為500mm,受一壓力P=40kN。假定E=200 GPa,剖面積為 A= 2500 mm
2
,則桿中所儲存之應變能U = ? (A) 1.4 J (B) 12 J (C) 1.0 J (D) 0.8 J
25•如圖(16)所示,一圓剖面之實心鋼轴’轴長L = 2m,直徑 d = 50mm,G = 80GPa,若一端相對於另一端之剖面旋轉角 為0.06 rad,則轴中之最大剪應力τ
max
=? , (A) 60 MPa (B) 70 MPa (C) 75 MPa (D) 80 MPa
26• —直徑為60匪,長3 m之實心金屬軸’受一扭力矩T= 800 N e m扭轉, 則此軸之最大剪應力τ
max
=? (A) 20.32 MPa (B) 22.18 MPa (C) 23.45 MPa (D) 18.86 MPa
,則轴的扭矩為何? (A) 6325.8 N • m (B) 7438.5 N • m (C) 8243.7 N • m (D) 95493 N • m
28承第27題,若該圓轴之容許剪應力為60 MPa,則轴所需之最小直徑為何? (A) 70.2 mm (B) 80.2 mm (C) 85.2 mm (D) 93.2 mm
,一受有強度為q之均佈負載懸臂樑,下列所示剪力圖何者正確?
30•承第29題,下列所示彎曲矩圖何者正確?
,樑所受之V
max
=? (A) 14 kN (B) 12 kN (C) 10 kN (D)9kN
32,承第31題,樑所受之M
min
= ? (A)-32kN • m (B) -30kN • m (C) -28kN • m (D)-26kN • m
之簡支樑’跨距長L=4m,承受一強度q = 5 kN/m之均佈負載 若樑的剖面為矩形 ,寬=150 mm,高=250 mm,則樑所承受的Mmax=? (A) 25 kN • m (B) 20 kN •m (C) 15kN • m (D) l0kN• m
34毛承第33題,樑上所產生的最大彎曲應力σ
max
=? (A) 5.4 MPa (B) 6.4 MPa (C) 7.4 MPa (D)8.4MPa
35如圖(20)均佈負載q之懸臂樑,長度L, EI=常數, 則B點之垂直位移?
36承第35題,B點的斜度?
E = 20 kN/mm
2
,其截面為25mm✕25mm之正方形,長度L=3.5 m.受到軸向拉力P = 90 kN作用後,此桿長度變化為 (A)縮短 25.2 mm(B)伸長 25.2 mm (C)伸長 30.2 mm (D)縮短 30.2 mm
38.承第37題,若此桿之poission's ratio V = 0.3 ;則橫向變形量為 (A) 0.074 mm (B) 0.054 mm (C) 0.034 mm (D) 0.014 mm
39•已知某元體之主應力分別為σ1= 18psi ’ σ2=9psi,σ3= —9psi ,則此元體之最大剪應力為 (A) 36 psi (B) 18 psi (C) 13.5 psi (D) 9 psi
40
.—
複合樑斷面如圖(21),由兩種不同材料組成,彈性係數比
,若樑上緣發生壓應力,其中性轴與斷面下緣的距離應為 (A) 0.3h (B) 0.25h (C) 0.2h (D)0.l5h
、B點為斜向棍支承’如圖(22),試求V
A
反力?
42。承第41題,求B點反力大小? (A) 0.l67t (B) 0.217t (C) 0.316t (D) 0.434t
43,某人重80 kg站在船之右端如圖(23),船重240 kg, 不計船與水互制關係,如此人由船之右端走到左端 画’ 試求船離岸多遠? (A) 9m (B) 9.3m (C) 9.5m (D) 7 m
44.如圖(24)—斷面均勻之簡支樑及其上置一重物。樑及重物 質量均為M,當B點支承突然移開時,重物與樑間作用力 為零,求重物離支承A之距離x? (A)
/4 (B)
/3 (C)
/2 (D) 2
/3
45 試求如圖(25)中A物體之加速度?設滑輪之慣性 及摩擦影響不計且A、B物體同重量。
,輪子半徑為0.5m之圓型均質剛體,由水平地面及鉛垂牆 面所支持,輪子質量100 kg,且與二接觸面之動摩擦係數均為0.6 ,若欲等速轉動此輪,則需施加力矩M之大小為何? (A) 346.2 N-m (B) 442.6 N-m (C) 492.6 N-m(D)600N-m
47.承第46題,水平地面給予輪子之摩擦反力大小為何? (A) 200 N (B) 267 N (C) 367 N (D) 433 N
48。於平衡狀態時,如圖(27),有一質量為10 kg的箱子懸吊於B環下 其中AB為繩索,BC為彈簧且其原始長度為0.6 m ,彈簧常數k= 200 N/m。若B環之直徑與重量可忽略不計,則AB 長度應為何? (A) 1.39m(B) 1.59m (C)1.79m (D)1.99m
49.如圖(28)靜力平衡系統中 ,桿件中某斷面彎矩為最大,該斷面位於離支承A為x,試求x? (A) 2.5 m (B)3.0m (C) 4.0 m (D) 4.5m
50汽車沿一直徑為20 m之圓形執道上行駛,該車相對於某固定 參考點之位置與時間關係函數為S(t) = t
3
—2t
2
+t。其中S為 位置,單位為m,t為時間,單位為sec。若某運動瞬間,該 車切線加速度為14 m/s
2
,則此時其之合加速度值為何? (A)20m/s
2
(B) 29m/s
2
(C) 34m/s
2
(D)37m/s
2
51如圖(29)所示受扭均值桿件,直徑20 cm,該桿件最大剪應力? (A)2228 kg/cm
2
(B) 2428 kg/cm
2
(C) 2628 kg/cm
2
(D) 2828 kg/cm
2
’ AB為一不計自重的水平剛性桿件,若BC鋼條的斷面積為4cm
2
,彈性係數 E = 2.04 x 10
6
kg/cm
2
,則BC鋼條所受拉力為 (A) 20t (B) 18 t (C) 16.67t (D)12.5t
53.承52題,B點的垂直位移為 (A) 0.958 cm (B) 0.766 cm (C) 0.658 cm (D) 0.566 cm
所示外伸樑距離A點右侧4,5 m處之剖面上剪力V= ? (A) +18.375 kN (B) +14.625 kN (C)-9.375 kN (D) +9.375 kN
55承54題,距離A點右側4,5 m處之剖面上,彎曲矩M= ? (A) +6.2 kN•m (B) +3.1 kN•m (C)-3.1kN•m (D)-6.2kN•m
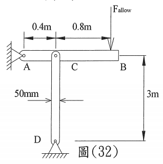
56.如圖(32)所示之水平桿件AB支承於端點鉸接柱’ CD柱為正方形剖面(每邊長50 mm)之鋼構件(E = 200GPa),假如柱挫屈安全因數為n = 3 則容許負載F
allow
=? (A) 114.23 kN (B) 38.08 kN (C) 28.56 kN (D) 12.69 kN
57.圓桿ABC是由2種材料所組成,直徑均為50 mm,如圖(33)。 其中AB部分為鋼(Es = 210GPa),長度為750 mm,BC部分 為銘(Ea = 70GPa),長度為250mm。若圓桿承受一軸向拉 力150 kN,則圓桿ABC之總伸長量為何? (A) 0.273 mm (B) 0.409 mm 750mm (C) 0.546 mm (D) 0.679 mm
58。如圖(34),有一均質金屬桿件,E=10xl0
6
psi,斷面積A =20 in
2
,兩 端固定,假設不考慮自重之影響,溫度升高35°F,若溫度膨脹係數 a = 13xl0
-6
/°F,則桿件内最終轴向應力為何? (A) 4550 psi (B) 3800 psi (C) 2600 psi (D) 2450 psi
59,—鋁棒長5 m,截面積為l0cm✕l0cm,若對強度之要求為内應力不得大於σ =5000kg/cm
2
對勁度之要求為伸長量δ不得大於0.2 cm,則該鋁棒所能承受的最大負荷為何? (設E= 10xl0
6
kg/cm
2
) (A) 700 t (B) 600 t (C) 500 t (D) 400 t
60如圖(35)中,一均質物體重500 N,被相距8.4 m的A、B點上之兩線 性彈簧所支撐,彈簧係數分別為100 N/m及150 N/m,兩彈簧未受 力前之長度均為4 m,A、B點均為固定點,當物體W平衡時,中心 點C之位置y
eq
為 (A) 2 m (B) 2.2 m (C) 2.4 m (D) 2.6 m
申論題 (0)
相關試卷
114年 - 114 經濟部所屬事業機構_新進職員甄試試題_土木、機械:1 .應用力學 2 .材料力學#136984
114年 · #136984
113年 - 113 經濟部所屬事業機構_新進職員甄試_土木、機械:1.應用力學 2.材料力學#125720
113年 · #125720
112年 - 112 經濟部所屬事業機構_新進職員甄試_土木、機械:1.應用力學 2.材料力學#116964
112年 · #116964
111年 - 111 經濟部所屬事業機構_新進職員甄試_土木、機械:1.應用力學 2.材料力學#111360
111年 · #111360
110年 - 110 經濟部所屬事業機構_新進職員甄試_土木、機械:1.應用力學 2.材料力學#103676
110年 · #103676
109年 - 109 經濟部所屬事業機構_新進職員甄試_土木、機械:1.應用力學 2.材料力學#92866
109年 · #92866
108年 - 108 經濟部所屬事業機構_新進職員甄試_土木、機械:1.應用力學 2.材料力學#80809
108年 · #80809
107年 - 107 經濟部所屬事業機構_新進職員甄試_土木、機械:1.應用力學 2.材料力學#76260
107年 · #76260
106年 - 106 經濟部所屬事業機構_新進職員甄試_土木、機械:1.應用力學 2.材料力學(重複)#81162
106年 · #81162
106年 - 106 經濟部所屬事業機構_新進職員甄試_土木、機械:1.應用力學#71725
106年 · #71725