阿摩線上測驗
登入
首頁
>
電力系統
> 99年 - 099年海岸巡防人員、基層警察人員、關務人員、經濟部專利商標審查人員、第一次司法人員及國軍上校以上軍官轉任經濟部專利商標審查人員_電力工程(專利商標審查人員)#33436
99年 - 099年海岸巡防人員、基層警察人員、關務人員、經濟部專利商標審查人員、第一次司法人員及國軍上校以上軍官轉任經濟部專利商標審查人員_電力工程(專利商標審查人員)#33436
科目:
電力系統 |
年份:
99年 |
選擇題數:
0 |
申論題數:
5
試卷資訊
所屬科目:
電力系統
選擇題 (0)
申論題 (5)
一、將一單相電壓源V
s
(t) = 141.4 cosωt伏特施加於 1 個理想電感器上,已知其電抗 Χ
L
= ωL = 3.77 歐姆,試求該電感器所吸收之瞬時功率p(t),虛功率(reactive power) Q,以及功率因數(power factor)pf。假設電感器電流並無暫態成分。(20 分)
【已刪除】二、如下圖所示為一電力系統之單線圖,除負載Z
L
= 0.9+j0.2Ω外,包括T1、T2 兩變 壓器及一輸電線;若已知電壓源V
s
= 220∠0°V,且選用變壓器T1 一次側電壓 240 V及 30 kVA作為基底值(base value),試繪出其以標么值(per unit value)表 示之單線圖,並求出通過Z
L
之電流安培值。(20 分)
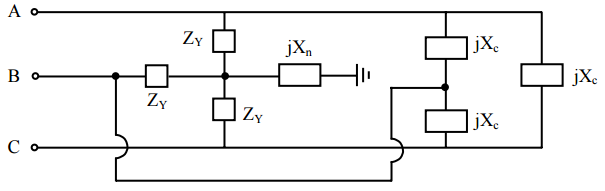
【已刪除】三、如下圖所示之平衡三相負載,其中Z
Y
= 3+j4 Ω,jX
n
= j2 Ω,jX
c
= -j30 Ω,請分別繪 出其零序(zero sequence)及正序(positive sequence)單線阻抗圖。(20 分)
【已刪除】四、如下圖所示為一發電機並聯至一無限匯流排(infinite bus)的等效電路圖,若E
g
、δ、 X
g
及V
t
均已知,試求該發電機輸送至無限匯流排之複數功率P+jQ。(20 分)
【已刪除】五、如下二圖所示∆接三相負載,阻抗Z
A
、Z
B
、Z
C
均已知,試求其等效Y接之各相等效 阻抗Z
1
、Z
2
、Z
3
。(20 分)
相關試卷
115年 - 115 關務特種考試_三等_電機工程(選試英文):電力系統#138944
115年 · #138944
114年 - 114 地方政府公務特種考試_三等_電力工程:電力系統#134738
114年 · #134738
114年 - 114 專技高考_電機工程技師:電力系統#133708
114年 · #133708
114年 - 114 公務升官等考試_薦任_電力工程:電力系統#133165
114年 · #133165
114年 - 114 高等考試_二級_電力工程:電力系統#131586
114年 · #131586
114年 - 114 高等考試_三級_電力工程:電力系統#128774
114年 · #128774
114年 - 114 關務特種考試_三等_電機工程(選試英文):電力系統#126644
114年 · #126644
113年 - 113 臺灣菸酒股份有限公司_從業職員及從業評價職位人員甄試試題_電子電機:電力系統(含電路學)#133978
113年 · #133978
113年 - 113 地方政府公務特種考試_三等_電力工程:電力系統#124553
113年 · #124553
113年 - 113 專技高考_電機工程技師:電力系統#123952
113年 · #123952