阿摩線上測驗
登入
首頁
>
結構學概要與鋼筋混擬土學概要
> 99年 - 99 地方政府特種考試_四等_土木工程:結構學概要與鋼筋混凝土學概要#31704
99年 - 99 地方政府特種考試_四等_土木工程:結構學概要與鋼筋混凝土學概要#31704
科目:
結構學概要與鋼筋混擬土學概要 |
年份:
99年 |
選擇題數:
0 |
申論題數:
4
試卷資訊
所屬科目:
結構學概要與鋼筋混擬土學概要
選擇題 (0)
申論題 (4)
【已刪除】一、如圖所示桁架結構,假設向下單位力在 AB 上移動,試求 a 桿及 b 桿之桿力影響線。 (25 分)
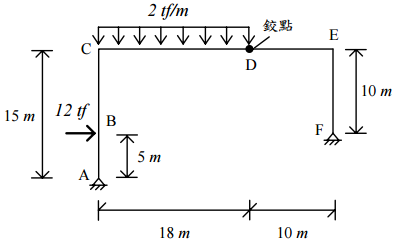
【已刪除】二、如圖示之剛架,桿件皆為均勻斷面,材質相同。試繪此剛架之彎矩圖。(25 分)
【已刪除】三、單獨T型梁如圖所示,若設計正彎矩M
u
=125 tf-m,下緣為拉力側,雙排鋼筋排列,鋼 筋中心距離壓力側外緣為 50 cm,最外層鋼筋中心距離壓力側外緣為 53.5 cm。混凝土 強度f
c
'=210 kgf/cm
2
,鋼筋f
y
=4,200 kgf/cm
2
。試求此梁所需鋼筋量為何?(25 分)
【已刪除】四、圖示之矩形斷面簡支外挑懸臂梁,b=35 cm,h=65 cm,承受使用靜載重wd=10 tf/m (不含梁自重,混凝土單位重wc=2.4 tf/m
3
),混凝土強度f
c
'=210 kgf/cm
2
,集中活載重Pe =15 tf,梁之撓曲鋼筋如圖所示,保護層依規範規定施作,試以D10 鋼筋依 規範規定求此梁在支承B右側處之剪力鋼筋間距需求。(25 分)
相關試卷
115年 - 115 身心障礙特種考試_四等_土木工程:結構學與鋼筋混凝土學概要#138950
115年 · #138950
114年 - 114 地方政府公務、離島地區公務特種考試_四等_土木工程:結構學與鋼筋混凝土學概要#134785
114年 · #134785
114年 - 114 原住民族特種考試_三等_土木工程:結構學與鋼筋混凝土學#130980
114年 · #130980
114年 - 114 原住民族特種考試_四等_土木工程:結構學與鋼筋混凝土學概要#130949
114年 · #130949
114年 - 114 普通考試_土木工程:結構學與鋼筋混凝土學概要#128751
114年 · #128751
114年 - 114 身心障礙特種考試_四等_土木工程:結構學與鋼筋混凝土學概要#126635
114年 · #126635
113年 - 113-2 國營臺灣鐵路股份有限公司_從業人員甄試試題_第10階-助理技術員-土木工程:結構學概要與鋼筋混凝土學大意#137204
113年 · #137204
113年 - 113 國營臺灣鐵路股份有限公司_從業人員甄試_第 10 階-助理技術員-土木工程:結構學概要與鋼筋混凝土學大意#137172
113年 · #137172
113年 - 113 地方政府公務、離島地區公務特種考試_四等_土木工程:結構學與鋼筋混凝土學概要#124558
113年 · #124558
113年 - 113 地方政府公務、離島地區公務特種考試_四等_土木工程:結構學與鋼筋混凝土學概要#124322
113年 · #124322