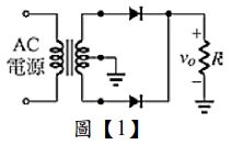
2. 如圖【1】所示之理想中心抽頭式全波整流電路,AC電源接於110V之市電,若變壓器之電壓規格:一次側為120V,二次側為0-12-24V。電阻R為1kΩ,則輸出電壓之峰值為何?
(A)
(B)
(C)
(D)
答案:登入後查看
統計: A(8), B(7), C(6), D(33), E(0) #3304989
統計: A(8), B(7), C(6), D(33), E(0) #3304989