題組內容
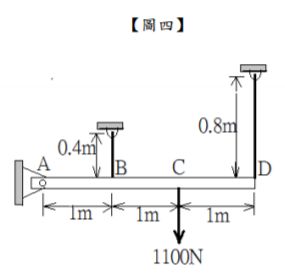
題目四: 如【圖四】中一長 3m 剛體(rigid body)橫樑,除端點 A 有銷子固位外,另於 B 與 D 點 由相同材質鋼索支撐,鋼索截面積為 10mm2,彈性模數(modulus)E = 200GPa。橫樑並於 C 點負重 1100N。請回答下列問題:
題目四: 如【圖四】中一長 3m 剛體(rigid body)橫樑,除端點 A 有銷子固位外,另於 B 與 D 點 由相同材質鋼索支撐,鋼索截面積為 10mm2,彈性模數(modulus)E = 200GPa。橫樑並於 C 點負重 1100N。請回答下列問題: