題組內容
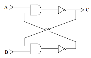
五、假設下面電路圖的兩輸入端(A,B)均在 0 的狀態下:(每小題 5 分,共 10 分)

⑴若輸入端 A 短暫間變為 1,則輸出端 C 將輸出何值?
詳解 (共 1 筆)
詳解
輸出端為0.5