阿摩線上測驗
登入
首頁
>
醫學儀表及測量
>
102年 - 102 高等考試_三級_醫學工程:醫學儀表及測量#39756
> 申論題
題組內容
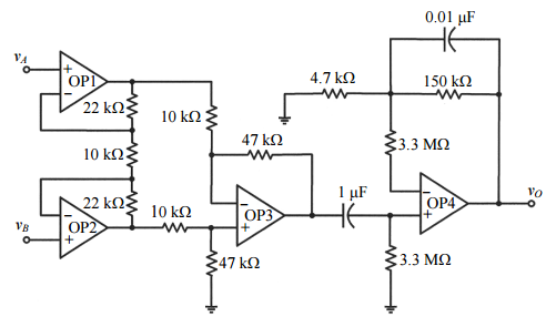
一、下圖為由理想運算放大器所組成的生醫信號量測電路,假設所有電阻和電容的數值 均如電路圖所標示,且元件的誤差均可忽略。
⑴請分別畫出差動增益(Differential-mode gain)和共模增益(Common-mode gain) 的頻率響應(Frequency response)。答案中增益的數值以及−3dB 的頻率值應明 確標示。(15 分)
相關申論題
⑵如果此電路是用來量測第二導程(Lead II)的心電信號(Electrocardiogram), 則 vA 和 vB 應分別與受測者身體那個部位的電極導線連接?(5 分)
#119552
⑴如果此除顫器可以 5 ms 的時間將 90%的能量加注給病人,則該充電電容的電容 值為何?(5 分)
#119554
⑵如果該充電電容可以儲存能量最多達 200 焦耳,則該充電電容兩端的電壓值為何? (5 分)
#119555
⑶注入病人的電流峰值是多少?(5 分)
#119556
⑴此電路的差動增益 Ad(Differential-mode gain)=?(5 分)
#119557
⑵此電路的共模增益 Ac(Common-mode gain)=?(5 分)
#119558
⑶此電路的共模拒斥比 CMRR(Common-mode rejection ratio)=?(5 分)
#119559
⑴電路中的 R1 和 R2 應分別採用多大的電阻值才符合需求?(10 分)
#119560
⑵假設發光二極體(Light emitting diode)所發出的光線波長可穿透手指,但是會被動 脈內的血液部分吸收。假設動脈的搏動會造成光電晶體(Phototransistor)的電流 IC 有加減 1 μA 的變化。若欲將此動脈的搏動信號放大至正負 1 伏特的範圍,則 vo 之後 應有那些電路?其規格為何?(以方塊圖呈現即可,但是要說明原因。)(10 分)
#119561
一、政府於民國 104 年 1 月 14 日訂頒技術及職業教育法,試說明其立法宗旨、重要內 涵為何?並評析其重要規定對當前技職教育政策發展的影響。(25 分)
#119563
相關試卷
114年 - 114 高等考試_三級_醫學工程:醫學儀表及測量#128494
114年 · #128494
113年 - 113 高等考試_三級_醫學工程:醫學儀表及測量#121516
113年 · #121516
112年 - 112 高等考試_三級_醫學工程:醫學儀表及測量#115511
112年 · #115511
111年 - 111 高等考試_三級_醫學工程:醫學儀表及測量#109481
111年 · #109481
109年 - 109 高等考試_三級_醫學工程:醫學儀表及測量#88609
109年 · #88609
108年 - 108 高等考試_三級_醫學工程:醫學儀表及測量#77679
108年 · #77679
106年 - 106 高等考試_三級_醫學工程:醫學儀表及測量#63138
106年 · #63138
105年 - 105 高等考試_三級_醫學工程:醫學儀表及測量#54169
105年 · #54169
104年 - 104 高等考試_三級_醫學工程:醫學儀表及測量#39585
104年 · #39585
103年 - 103 高等考試_三級_醫學工程:醫學儀表及測量#39838
103年 · #39838