阿摩線上測驗
登入
首頁
>
醫學儀表及測量
>
102年 - 102 高等考試_三級_醫學工程:醫學儀表及測量#39756
> 申論題
題組內容
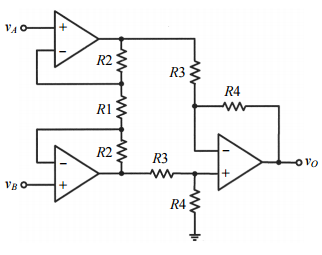
四、下圖為由三顆理想運算放大器所組成的儀表放大器(Instrumentation amplifier)。 其中,R1 = R3 = 10 KΩ,R2 = 20 KΩ,R4 = 50 KΩ。
⑴此電路的差動增益 A
d
(Differential-mode gain)=?(5 分)
相關申論題
⑵此電路的共模增益 Ac(Common-mode gain)=?(5 分)
#119558
⑶此電路的共模拒斥比 CMRR(Common-mode rejection ratio)=?(5 分)
#119559
⑴電路中的 R1 和 R2 應分別採用多大的電阻值才符合需求?(10 分)
#119560
⑵假設發光二極體(Light emitting diode)所發出的光線波長可穿透手指,但是會被動 脈內的血液部分吸收。假設動脈的搏動會造成光電晶體(Phototransistor)的電流 IC 有加減 1 μA 的變化。若欲將此動脈的搏動信號放大至正負 1 伏特的範圍,則 vo 之後 應有那些電路?其規格為何?(以方塊圖呈現即可,但是要說明原因。)(10 分)
#119561
一、政府於民國 104 年 1 月 14 日訂頒技術及職業教育法,試說明其立法宗旨、重要內 涵為何?並評析其重要規定對當前技職教育政策發展的影響。(25 分)
#119563
二、技職教育的本質與目標是什麼?我國為何要實施產學合作?試提出強化我國技職教 育產學合作的創新措施。(25 分)
#119564
三、美國耶魯大學教授斯騰伯格(R. J. Sternberg),提出「智力三元論」,認為人類智力由 組合性智力(componential intelligence)、經驗性智力(experiential intelligence)和肆應 性智力(contextual intelligence)三種組成,試說明其重要意涵,並舉其觀點,批判 我國技職教育問題?且提出改善之道?(25 分)
#119565
四、我國技專校院評鑑發展的歷史有何變革與貢獻?試以後設評鑑的理念批判當前技專 校院評鑑應興應革事項?(25 分)
#119566
⑴英翻中:請將下列英文短文翻譯成順暢的中文(30 分) California’s official nickname is “The Golden State.” In 1848, gold was discovered, starting the famous Gold Rush. In San Francisco, there is the monumental Golden Gate Bridge. South from San Francisco is Los Angeles, the second largest city in the U.S. It’s a thriving metropolis and a center for international trade. Further down the coastline near the border of Mexico is San Diego. Known for its mild and sunny weather, tourists come here to enjoy miles of beaches. California’s cities have much to offer. There is a lot of natural beauty to be found here as well, such as Yosemite National Park and Death Valley. California has so much to offer visitors that it is a destination to visit time and again. Whether you go looking for movie stars in Hollywood or to watch the sunset on the ocean, the Golden State has it all.
#119567
⑵中翻英:請將下列中文短文翻譯成順暢的英文(30 分) 法國人的意見向來和乳酪種類一樣多,因此總是難以取得共識。不過,法國國家 鐵路系統決定為 TGV 高速列車舉辦二十五週年慶祝活動之後,法國民眾隨即以 情書和情詩向高速列車表達一致的稱頌。如果你覺得讚揚火車有點奇怪,那麼你 必須了解法國人其實深信 TGV 高速列車大幅改變了他們的國家。TGV 不僅創造 了長距離的郊區住宅,也促進了相距遙遠的企業以及家庭工作室之間的溝通,甚 至還為鄉下社區帶來新的就業機會。除了經濟上的影響和時速紀錄外,TGV 還帶 來的另一項比較不容易察覺的助益,它讓法國地區更加緊密結合在一起。
#119568
相關試卷
114年 - 114 高等考試_三級_醫學工程:醫學儀表及測量#128494
114年 · #128494
113年 - 113 高等考試_三級_醫學工程:醫學儀表及測量#121516
113年 · #121516
112年 - 112 高等考試_三級_醫學工程:醫學儀表及測量#115511
112年 · #115511
111年 - 111 高等考試_三級_醫學工程:醫學儀表及測量#109481
111年 · #109481
109年 - 109 高等考試_三級_醫學工程:醫學儀表及測量#88609
109年 · #88609
108年 - 108 高等考試_三級_醫學工程:醫學儀表及測量#77679
108年 · #77679
106年 - 106 高等考試_三級_醫學工程:醫學儀表及測量#63138
106年 · #63138
105年 - 105 高等考試_三級_醫學工程:醫學儀表及測量#54169
105年 · #54169
104年 - 104 高等考試_三級_醫學工程:醫學儀表及測量#39585
104年 · #39585
103年 - 103 高等考試_三級_醫學工程:醫學儀表及測量#39838
103年 · #39838