阿摩線上測驗
登入
首頁
>
港務局◆電學及輸配電學概要
>
109年 - 109 臺灣港務股份有限公司從業人員甄試_員級_電機:電學及輸配電學概要#116882
> 申論題
題組內容
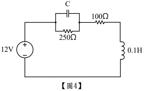
四、如【圖 4】直流電路。試求:
1.電容器兩端電壓。
相關申論題
2.流經電感器電流。
#499500
3.電感器與電容器儲能相同時之電容值 C 為多少μF?
#499501
(一)何謂負擔行為?何謂處分行為?【8分】
#499502
(二)乙、丙間所為的負擔行為及處分行為之效力如何?【10分】
#499503
(三)甲對丙行使所有物返還請求權,是否有理由?請說明之。【7分】
#499504
(一)何謂「使用借貸」?何謂「消費借貸」?何謂「留置權」?【15分】
#499505
(二)消滅時效中斷之事由為何?【10分】
#499506
第三題: 甲男與乙女結婚後生子A,甲男婚後與丙女不倫同居而生子B,並書立遺囑將全部財產遺贈與丙女。依民法規定,甲男死亡後,乙女、丙女、A、B等四人能否取得甲男之遺產?繼承人如何分配遺產?【25分】
#499507
(一)依民法第8條規定,失蹤人失蹤滿_______年後,法院得因利害關係人或檢察官之聲請,為死亡之宣告。失蹤人為八十歲以上者,得於失蹤滿_______年後,為死亡之宣告。失蹤人為遭遇特別災難者,得於特別災難終了滿_______年後,為死亡之宣告。
#499508
(二)依民法第12條規定,滿_______歲為成年。
#499509
相關試卷
114年 - 114 臺灣港務股份有限公司_新進從業人員甄試試題_電機:電學及輸配電學#126790
114年 · #126790
113年 - [無官方正解]113 臺灣港務股份有限公司_新進從業人員甄試試題_電機:電學及輸配電學概要#130429
113年 · #130429
112年 - 112 臺灣港務股份有限公司_新進從業人員甄試試題_員級_電機 :電學及輸配電學概要 #114071
112年 · #114071
111年 - 111 臺灣港務股份有限公司_新進從業人員甄試試題_員級_電機:電學及輸配電學概要#113779
111年 · #113779
110年 - 110 臺灣港務股份有限公司_新進從業人員甄試試題_員級_電機 :電學及輸配電學概要#116881
110年 · #116881
109年 - 109 臺灣港務股份有限公司從業人員甄試_員級_電機:電學及輸配電學概要#116882
109年 · #116882
108年 - 108 臺灣港務股份有限公司新進從業人員甄試_員級_電機:電學及輸配電學概要#83252
108年 · #83252
107年 - 107 臺灣港務股份有限公司新進從業人員甄試_員級_電機:電學及輸配電學概要#83264
107年 · #83264
106年 - 106-2 臺灣港務股份有限公司從業人員甄試_員級_電機:輸配電學概要#83309
106年 · #83309
106年 - 106-1 臺灣港務股份有限公司從業人員甄試_員級_電機:輸配電學概要#83278
106年 · #83278