題組內容
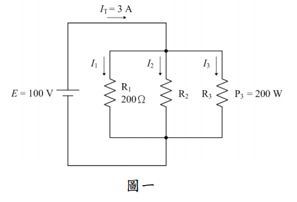
一、參考圖一,試求:

(一)由電壓源供給的功率。(4 分)
詳解 (共 7 筆)
詳解
300瓦特
詳解
P=100*3=300W
詳解
P=IV=100*3=300W
詳解
300W
詳解
300W
詳解
300w
詳解
Rt=100/3
P=100*100/(100/3)=300W