題組內容
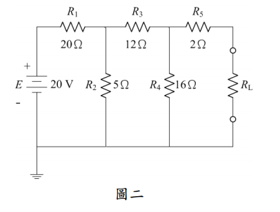
二、參考圖二,試求:

(三)利用(二)的諾頓等效電路驗證(一)所得的戴維寧等效電路。(4 分)
詳解 (共 4 筆)
詳解
InRn=0.2*10=2 (V) Vth=2
詳解
ETH/RTH=ITH
詳解
Rth=10
Eth=4
詳解
V=IR, 0.25*10=2.5V=Eth