阿摩線上測驗
登入
首頁
>
電工學(電工原理)
>
109年 - 109 專技高考_冷凍空調工程技師:電工學(包括電機機械)#93318
> 申論題
題組內容
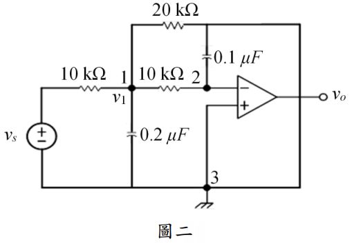
二、如下圖二所示,試求:當v
t
=3cos1000 (V) (每小題 10 分,共 20 分)
(一) v
1
之值?
相關申論題
(二) vo 之值?
#384926
(一)滿載時之效率?
#384927
(二)變壓器之最大效率?
#384928
(一)電動機之轉速?(5 分)
#384929
(二)在額定狀況下電動機之輸出轉矩?(5 分)
#384930
(三)在額定狀況下電動機之內部生成電壓?(10 分)
#384931
(一)兩部發電機分別供應多少的有效功率及無效功率?(12 分)
#384932
(二)整體負載之功率因數為何?(8 分)
#384933
一、簡支矩形梁,跨度 10 m,其斷面寬為b =30 cm,深度h= 55 cm,拉力側 鋼筋為 5 根 D25( As=25.34 cm2 , f y = 4,200 kgf/cm2 ,有效深度 d = 45 cm),忽略壓力側鋼筋,混凝土強度 f'c=280 kgf/cm2 ,此梁承受 含自重之均佈靜載重wD =1.2 tf/m與在梁中央之集中活載重 PL=4.8 tf 。 若此梁是位於一般樓層,且該梁上下方無隔間牆或天花板,試檢核該梁 是否可符合結構混凝土設計規範對撓度之控制(可參考規範表 2.11.2 之 規定)?(25 分) 參考公式:
#384934
二、臺灣位處地震帶,建築物結構設計時皆需考量耐震設計,一般 RC 建築 物先經基本結構設計後,梁柱仍需再符合結構混凝土設計規範「第十五 章 耐震設計之特別規定」之耐震細部設計要求。 有一矩形截面柱,若地震引致之柱剪力超過設計剪力之半且此柱設計軸 力小於0.05Agf 'c ,依規範耐震細部設計要求,配置柱全長所需箍筋及繫 筋間距值,請說明柱頭圍束區及柱中央非圍束區之設計,所需箍筋及繫 筋有何特別要求?並比較柱頭圍束區及柱中央非圍束區所需箍筋及繫 筋間距值計算時,依規範要求考量上之相同及不同處為何?(說明即可! 不必計算!)(25 分) 參考公式:
#384935
相關試卷
114年 - 114 專技高考_機械工程技師:電工學(包括電機機械)#133672
114年 · #133672
114年 - 114 專技高考_冷凍空調工程技師:電工學(包括電機機械)#133575
114年 · #133575
113年 - 113 專技高考_冷凍空調工程技師:電工學(包括電機機械)#123966
113年 · #123966
113年 - 113 專技高考_機械工程技師:電工學(包括電機機械)#123960
113年 · #123960
113年 - 113 專技高考_造船工程技師:電工學(包括電機機械)#123943
113年 · #123943
112年 - 112 專技高考_冷凍空調工程技師:電工學(包括電機機械)#117677
112年 · #117677
112年 - 112 專技高考_機械工程技師:電工學(包括電機機械)#117638
112年 · #117638
111年 - 111 臺北自來水事業處及所屬工程總隊_新進職員(工)甄試_機電工程_一級工程員:電工原理#113529
111年 · #113529
111年 - 111 專技高考_造船工程技師:電工學(包括電機機械)#111947
111年 · #111947
111年 - 111 專技高考_冷凍空調工程技師:電工學(包括電機機械)#111944
111年 · #111944