阿摩線上測驗 登入

申論題資訊

試卷:112年 - 112 高等考試_三級_電力工程、電子工程、電信工程:電子學#115745
科目:電子學
年份:112年
排序:0

題組內容

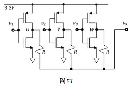
五、如圖四所示一電路由三個半橋組成,每個半橋由高壓側之PMOS其64b10ee09d030.jpg=2V與低壓側之NMOS其64b10eeb67a2a.jpg=2V組成,忽略各MOSFET的寄生電容,三個輸入v1、v2、v3個別具有0V、1.65V、3.3V三種離散(discrete) 狀態。
64b10efe9d31d.jpg

申論題內容

(一)vo的電壓共有幾種,各是幾伏特。