所屬科目:電子學
(一)推導該電路之中轉移函數G(s)與K增益。
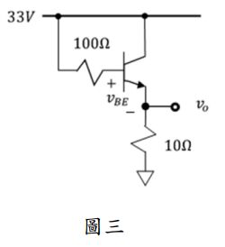
四、如圖三所示的npn雙極性電晶體(BJT)共集極電路(CommonCollector circuit),且β=110,其中Is=1pA,即熱電壓為 26mV,試求準確至小數點第三位之值。(20分)