阿摩線上測驗
登入
首頁
>
電子學
>
112年 - 112 高等考試_三級_電力工程、電子工程、電信工程:電子學#115745
> 申論題
題組內容
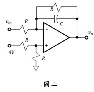
三、如圖二之一個將輸入為vin(t),且在正負電壓之間變化的交流電壓輸入信號轉換成一個正電壓輸出,其中操作放大器(OPAmp)為理想操作放大器。
(一)推導該電路之
中轉移函數G(s)與K增益。
相關申論題
(一)試說明閘源極電壓(Gate-sourceVoltage)和汲源極電壓(Drain-source Voltage)與汲極電流(DrainCurrent)的關係。
#494760
(二)繪製閘源極電壓和汲源極電壓與汲極電流關係的電流—電壓圖(i-v curve)。
#494761
(一)於轉換電路中再增加一齊納二極體(Zenerdiode)下,設計該電路。
#494762
(二)該電容與輸入電壓初始電壓皆為0V,繪製並標示輸出電壓、輸入電壓與電容電壓的時間關係。
#494763
(二)若電阻R=100kΩ,計算電容C之值,使濾波頻寬為100Hz。
#494765
四、如圖三所示的npn雙極性電晶體(BJT)共集極電路(CommonCollector circuit),且β=110,其中Is=1pA,即熱電壓為 26mV,試求準確至小數點第三位之值。(20分)
#494766
(一)vo的電壓共有幾種,各是幾伏特。
#494767
(二)說明如何控制三個輸入使vo產生近似弦波的階梯輸出。
#494768
(二) = 5 V , = 0 V 時, =?
#561019
(一) = 0 V 時, ?
#561018
相關試卷
115年 - 115 國營臺灣鐵路股份有限公司從業人員_甄試試題_第10階-助理技術員-電力、電務:電子學概要#138261
115年 · #138261
114年 - 114 地方政府公務特種考試_三等_電力工程、電子工程、電信工程:電子學#134800
114年 · #134800
114年 - 114 地方政府公務特種考試_四等_電力工程、電子工程、電信工程:電子學概要#134742
114年 · #134742
114年 - 114 專技高考_電子工程技師:電子學#133712
114年 · #133712
114年 - 114 公務升官等考試_薦任_電力工程、電子工程、電信工程:電子學#133247
114年 · #133247
114年 - 114 原住民族特種考試_四等_電子工程:電子學概要#130947
114年 · #130947
114年 - 114 專技高考_專利師(選試專業英文及電子學)、專利師(選試專業日文及電子學):電子學#130110
114年 · #130110
114年 - 114 普通考試_電力工程、電子工程、電信工程:電子學概要#128790
114年 · #128790
114年 - 114 高等考試_三級_電力工程、電子工程、電信工程:電子學#128768
114年 · #128768
113年 - 113-2 國營臺灣鐵路股份有限公司_從業人員甄試試題_第10階-助理技術員-電務 第10階-助理技術員-電力:電子學概要#137201
113年 · #137201