題組內容
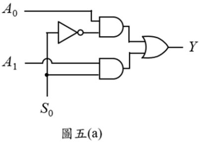
五、2×1多工器(multiplexer)邏輯閘電路如圖五(a),系統方塊圖如圖五(b)。

(二)以導線連結數個圖五(b)方塊,輸入訊號分別為輸入訊號 1 及輸入訊號 2,選擇線之訊號為選擇訊號 1。設計並畫出一個 4✖1 多工器,輸入訊 號為 A0、A1、A2、A3,選擇訊號為 S0、S1,輸出為 Y,當 S0S1 = 00, 01, 10, 11 時,Y 分別為 A0、A1、A2、A3,並以 4×1多工器輸出 Y 之布林代數式驗證所設計電路的正確性。(15 分)
五、2×1多工器(multiplexer)邏輯閘電路如圖五(a),系統方塊圖如圖五(b)。

(二)以導線連結數個圖五(b)方塊,輸入訊號分別為輸入訊號 1 及輸入訊號 2,選擇線之訊號為選擇訊號 1。設計並畫出一個 4✖1 多工器,輸入訊 號為 A0、A1、A2、A3,選擇訊號為 S0、S1,輸出為 Y,當 S0S1 = 00, 01, 10, 11 時,Y 分別為 A0、A1、A2、A3,並以 4×1多工器輸出 Y 之布林代數式驗證所設計電路的正確性。(15 分)