題組內容
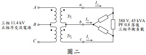
二、圖二的電路中,Tr1 及 Tr2 為兩部 60 Hz、25 kVA、11.4 kV/380 V 之雙繞 組單相變壓器,高壓側連接 11.4 kV 之正相序電源,低壓側供應 380 V、 45 kVA、功率因數 0.8 落後之平衡三相負載。忽略變壓器的損失及阻抗。
二、圖二的電路中,Tr1 及 Tr2 為兩部 60 Hz、25 kVA、11.4 kV/380 V 之雙繞 組單相變壓器,高壓側連接 11.4 kV 之正相序電源,低壓側供應 380 V、 45 kVA、功率因數 0.8 落後之平衡三相負載。忽略變壓器的損失及阻抗。