阿摩線上測驗
登入
首頁
>
電工學(電工原理)
>
111年 - 111 專技高考_機械工程技師:電工學(包括電機機械)#111934
> 申論題
題組內容
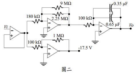
二、圖二所示為一分佈型積分放大電路,試求其:
(二)繪出其輸出電壓波型。(8 分)
相關申論題
(一)此放大器之輸入功率、輸出功率。
#479450
(二)此放大器之效率。
#479451
(一)輸入電壓 Vi。(12 分)
#479452
(一)阻抗所消耗的複功率。(4 分)
#479454
(二)取自電源的總功率及電路的功率因數。(8 分)
#479455
(三)若要將電路功因改善至 1.0 時,求所需的並聯電容值為多少 μF?(8 分)
#479456
(一)發電電壓 Eg 及額定輸出下的發電機電壓調整率。(8 分)
#479457
(二)電樞電阻。 (5 分)
#479458
(三)若該電樞繞組改成波繞(wave winding)時,求發電電壓 Eg。(7 分)
#479459
(一)啟動電流。
#479460
相關試卷
114年 - 114 專技高考_機械工程技師:電工學(包括電機機械)#133672
114年 · #133672
114年 - 114 專技高考_冷凍空調工程技師:電工學(包括電機機械)#133575
114年 · #133575
113年 - 113 專技高考_冷凍空調工程技師:電工學(包括電機機械)#123966
113年 · #123966
113年 - 113 專技高考_機械工程技師:電工學(包括電機機械)#123960
113年 · #123960
113年 - 113 專技高考_造船工程技師:電工學(包括電機機械)#123943
113年 · #123943
112年 - 112 專技高考_冷凍空調工程技師:電工學(包括電機機械)#117677
112年 · #117677
112年 - 112 專技高考_機械工程技師:電工學(包括電機機械)#117638
112年 · #117638
111年 - 111 臺北自來水事業處及所屬工程總隊_新進職員(工)甄試_機電工程_一級工程員:電工原理#113529
111年 · #113529
111年 - 111 專技高考_造船工程技師:電工學(包括電機機械)#111947
111年 · #111947
111年 - 111 專技高考_冷凍空調工程技師:電工學(包括電機機械)#111944
111年 · #111944