題組內容
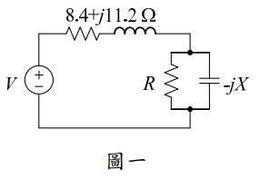
一、圖一所示負載是由電阻值為 R 的電阻及容抗值為 X 的電容並聯組成,單 相電源透過阻抗為 (8.4+j11.2)Ω的線路供電給負載。負載端的電壓有效 值為 1200∠0°V,且此負載吸收 30 kVA 的電力,功率因數為 0.8 超前。 試計算下列各值:
一、圖一所示負載是由電阻值為 R 的電阻及容抗值為 X 的電容並聯組成,單 相電源透過阻抗為 (8.4+j11.2)Ω的線路供電給負載。負載端的電壓有效 值為 1200∠0°V,且此負載吸收 30 kVA 的電力,功率因數為 0.8 超前。 試計算下列各值: