阿摩線上測驗
登入
首頁
>
國營事業◆1.電力系統 2.電機機械
>
100年 - 100 經濟部所屬事業機構_新進職員甄試_電機:1.電力系統 2.電機機械#35879
> 申論題
題組內容
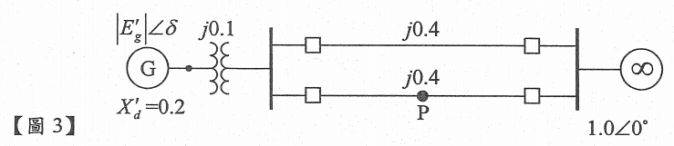
五.下【圖3】所示單線圖表示一發電機經由升壓變壓器及兩平行輸電線連接至無限匯流排。 發電機供應之複功率為1.0+j0標么,其端電壓及無限匯流排的電壓均為1.00標么,圖中 所標數據乃是根據一共同系統基準值換算而得之電抗值,試求:
(二) P點發生故障清除後之功率角方程式。(5分)
相關申論題
(一)送電端之線電壓及功率因數。(6分)
#97647
(二)電壓調整率。(4分)
#97648
(一)變壓器兩側次暫態、暫態、穩態短路電流各為多少安培。(6分)
#97650
(二)故障開始時發電機側最大故障電流均方根植(含直流成分_)各為多少安培。(4分)
#97651
(一)在此運轉情況下之功率角方程式。(5分)
#97652
(二)電感值。(2分)
#97655
【題組】(三)鐵心中磁通密度Bc=1.5wb/m2時,儲存於磁路的能量為多少焦耳(J) ? (2分)
#97656
【題組】(四)鐵心中磁通密度Bc=1.5sin377t wb/m2線圈感應電壓為多少?(2分)
#97657
(五)如沒有氣隙且具有相同電感值,鐵心上之線圈匝數應為多少(匝)?(2分)
#97658
(一)繪出此自耦變壓器接線圖。(2分
#97659
相關試卷
114年 - 114 經濟部所屬事業機構_新進職員甄試試題_電機:1 .電力系統 2 .電機機械#133471
114年 · #133471
113年 - 113 經濟部所屬事業機構_新進職員甄試_電機:電機機械、電力系統#133337
113年 · #133337
112年 - 112 經濟部所屬事業機構_新進職員甄試_電機(二):電力系統、電機機械#116953
112年 · #116953
111年 - 111 經濟部所屬事業機構_新進職員甄試試題_電機(二):1.電力系統 2.電機機械#111370
111年 · #111370
110年 - 110 經濟部所屬事業機構_新進職員甄試_電機(二):1.電力系統 2.電機機械#103694
110年 · #103694
107年 - 107 臺灣菸酒股份有限公司_從業職員及從業評價職位人員甄試_從業職員(第3職等人員【一】)-電機空調消防:電機機械與電力系統#72790
107年 · #72790
106年 - 106 經濟部所屬事業機構_新進職員甄試_電機(甲):1.電力系統 2.電機機械#70463
106年 · #70463
105年 - 105 經濟部所屬事業機構_新進職員甄試_電機(甲):1.電力系統 2.電機機械#60301
105年 · #60301
104年 - 104 經濟部所屬事業機構_新進職員甄試_電機(甲):1.電力系統 2.電機機械#60434
104年 · #60434
103年 - 103 經濟部所屬事業機構_新進職員甄試_電機(甲):1.電力系統 2.電機機械#63874
103年 · #63874