阿摩線上測驗 登入

申論題資訊

試卷:113年 - 113 專技高考_專利師(選試專業英文及電子學)、專利師(選試專業日文及電子學):電子學#122222
科目:電子學
年份:113年
排序:0

題組內容

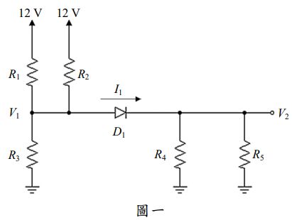
一、如圖一之電路,假設 R1=10 kΩ, R2=10 kΩ,R3=10 kΩ,R4=2 kΩ,R5=2kΩ,二極體 D1 之完全導通電壓(fully conducting voltage)為 0.7 V, 求66c2dcb9373a4.jpg

申論題內容

(二)V1 =?(V ) (10 分)(答案計算至小數點第二位以下四捨五入)