阿摩線上測驗
登入
首頁
>
台糖◆基本電學
>
112年 - 112 台灣糖業股份有限公司_新進工員甄試_電機:基本電學#118780
> 申論題
題組內容
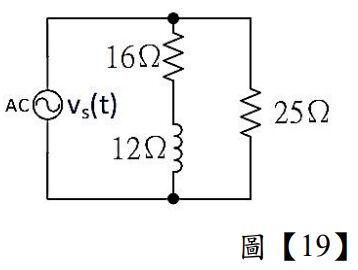
二、如圖【19】所示電路,電源電壓
,已知電路平均功率為800W,請算出下列問題:
(1)電源電壓v
S
(t)表示式中的E為多少?(4分)
詳解 (共 2 筆)
yu
詳解 #6241897
2024/11/02
(共 1 字,隱藏中)
前往觀看
已上榜,感謝阿摩(連三榜)
詳解 #7280680
2026/01/18
(共 1 字,隱藏中)
前往觀看
私人筆記 (共 2 筆)
【給你考運】勞贖
私人筆記 #5770334
2024/02/19
有幫助請幫我按個讚鼓勵;有錯請不吝指教(...
(共 27 字,隱藏中)
前往觀看
Terry Tung
私人筆記 #7801099
2026/02/03
(共 0 字,隱藏中)
前往觀看
相關申論題
(2)電路的視在功率為多少?(3分)
#506400
(3)電路的功率因數為多少?(3分)
#506401
1. A rectangle is bounded by the x-axis and the semicircle. What width and length should the rectangle have so that its area is a maximum? ( 10 分)
#506402
2. Consider a function described by f(x)=(I+x)2. Find the points on the graph of y=(1+x)2that are closest to the point, (5,3).(10分) Note: Point (a, b) means that the projections of the point on the x and y axes have coordinates a and b, respectively, in the rectangular coordinate system in plane.
#506403
3. Find an equation of the tangent line to the graph of at x=2. (10分)
#506404
4. Evaluate the integral, ∫(x2 -2)exp(x3 -6x)dx, in which exp(●) denotes the natural exponential function.(10 分)
#506405
5. Find the volume under the surface z=exp(-x-y) and above the triangle with vertices (0,0),(1,0),and (0,1).(10分)
#506406
6. Find the Taylor series of the function f(x)=In(x) about x=1, in which In(●) denotes the natural logarithmic function. Moreover, find the radius of convergence and the interval of convergence for this series.(10分)
#506407
7. Evaluate the integral, exp(-x)sin(x)dx.(10分)
#506408
8. In which directions does the directional derivative of the function f at point (1,1)vanish if f(x,y)=x2+2y2?(10分)
#506409
相關試卷
114年 - 114 台灣糖業股份有限公司_新進工員甄試_電機 1、電機 2 :基本電學#126367
114年 · #126367
112年 - 112 台灣糖業股份有限公司_新進工員甄試_電機:基本電學#118780
112年 · #118780
111年 - 111 台灣糖業股份有限公司_新進工員甄試_電機:基本電學#113404
111年 · #113404
110年 - 110 台灣糖業股份有限公司_新進工員甄試試題_電機:基本電學#106918
110年 · #106918