阿摩線上測驗 登入

申論題資訊

試卷:109年 - 109 國立臺灣大學_碩士班招生考試_資訊工程學研究所:計算機結構與作業系統(B)#106045
科目:台大◆資工◆計算機結構與作業系統(B)
年份:109年
排序:0

題組內容

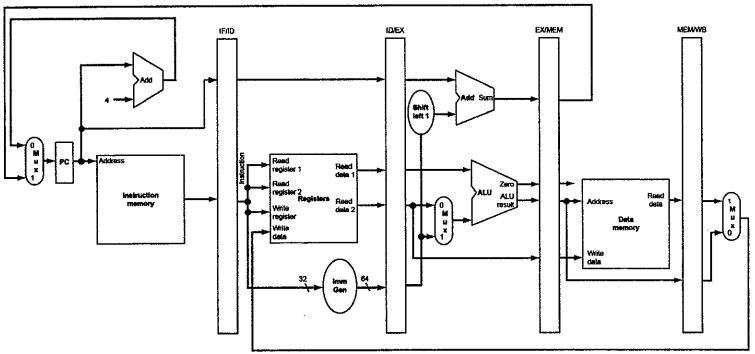
Please analyze the hazards in the assembly code which may cause the pipeline to stall, assuming all the instructions and data are in the instruction and data caches and do not cause stalls in the IF and MEM stages.
6201c8b5214d9.jpg

申論題內容

(e) [5 points] To further improve the pipeline performance in the previous question, we would like to reduce the impact of data hazards by unrolling the loop. Please describe how this can be done and how it affects the performance.