阿摩線上測驗
登入
首頁
>
鋼筋混凝土學與設計
>
101年 - 101 地方政府特種考試_三等_土木工程:鋼筋混凝土學與設計#31516
> 申論題
題組內容
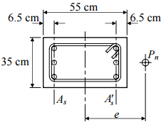
四、柱斷面為 35 cm × 55 cm,配置 6 根D25(#8)鋼筋(A
b
=5.067 cm
2
,f
y
=4200 kgf/cm
2
),如 下圖所示。混凝土強度 f '
c
=280 kgf/cm
2
,試求:(25 分)
⑴在平衡條件下,對應之c
b
、P
b
、M
b
及偏心距e
b
。
相關申論題
一、RC梁斷面為 40 cm×60 cm, f ′c= 280 kgf/cm2 ,fy= 4200 kgf/cm2 ,假設混凝土粗粒料 最大粒徑為 2.5 cm,梁主筋為D22(db=2.22 cm,Ab=3.871 cm2 ),梁肋筋為D13 (db=1.27 cm,Ab=1.267 cm2 ),梁表面至鋼筋中心距為 6.5 cm,則此斷面依照規 範當鋼筋為單排單筋梁時,最大彎矩設計強度、最小彎矩設計強度、最大剪力設計 強度、最小剪力設計強度分別為何?(需考慮梁設計各種規定)(35 分)
#70214
二、一鋼筋混凝土柱其斷面為 40 cm×40 cm, f ′c= 280 kgf/cm2 ,fy= 4200 kgf/cm2 ,鋼筋為 8 根D25(db=2.54 cm,Ab=5.067 cm2 ),則請計算混凝土收縮量為多少時混凝土將 開裂。(忽略柱自重)(15 分)
#70215
⑵εs=0.5εy對應之載重P、彎矩M及偏心距e。(εy為As之應變)
#70218
⑶εs=3εy對應之載重P、彎矩M及偏心距e。(εy為As之應變)
#70219
⑷偏心距 e=0 時的軸力強度。
#70220
⑸依據上面四組數據,繪此柱之強度互制圖。
#70221
四、一鋼筋混凝土單筋矩形梁斷面尺寸如圖所示,As=15.16cm2,f′C =280kgf/cm2,fy=4200kgf/cm2,試求設計彎矩強度ΦMn 。(25分)
#562156
三、圖示單筋矩形斷面梁f′C =350 kgf/cm2,fy=4200 kgf/cm2,試求平衡鋼筋量Asb並決定當As=20cm2及60cm2時,斷面之破壞模式。(25分)
#562155
(2)受拉鋼筋中標準彎鉤錨定之尺度與彎曲半徑之規定中,90°、180°彎轉後,有哪些規定?(14分)
#562154
(1)受拉鋼筋中標準彎鉤錨定之尺度與彎曲半徑之規定中,鋼筋端部設置特別之錨定機制為何?(11分)
#562153
相關試卷
114年 - 114 地方政府公務、離島地區公務特種考試_三等_土木工程:鋼筋混凝土學與設計#134753
114年 · #134753
114年 - 114 高等考試_三級_土木工程:鋼筋混凝土學與設計#128726
114年 · #128726
113年 - 113-2 國營臺灣鐵路股份有限公司_從業人員甄試試題_第9階-技術員-土木工程:鋼筋混凝土學與設計概要#137156
113年 · #137156
113年 - 113 國營臺灣鐵路股份有限公司_從業人員甄試_第8階-助理工程師-土木工程:鋼筋混凝土學與設計#137104
113年 · #137104
113年 - 113-2 國營臺灣鐵路股份有限公司_從業人員甄試_第8階-助理工程師-土木工程:鋼筋混凝土學與設計#137090
113年 · #137090
113年 - 113-2 國營臺灣鐵路股份有限公司_從業人員甄試_第 9 階-技術員-土木工程:鋼筋混凝土學與設計概要#135450
113年 · #135450
113年 - 113 地方政府公務、離島地區公務特種考試_三等_土木工程:鋼筋混凝土學與設計#124342
113年 · #124342
113年 - 113 高等考試_三級_土木工程:鋼筋混凝土學與設計#121483
113年 · #121483
113年 - 113 國營臺灣鐵路股份有限公司_從業人員甄試_第 9 階-技術員-土木工程:鋼筋混凝土學與設計概要#119089
113年 · #119089
112年 - 112 地方政府特種考試_三等_土木工程:鋼筋混凝土學與設計#118382
112年 · #118382