阿摩線上測驗
登入
首頁
>
電力系統
>
101年 - 101年高等三級暨普通考高考三級_電力工程#29434
> 申論題
題組內容
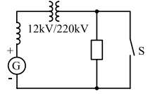
三、某台 100 MVA、12 kV、60 Hz、Y 接之三相同步發電機,此發電機經由一台 12 kV/220 kV、100 MVA、Δ-Y 接之三相變壓器,供給 100 MVA、220 kV、功率因數 0.8 落後之三相負載,其單線圖如下圖所示。以發電機額定為基值之發電機暫態電抗 為 0.2 pu,變壓器電抗為 0.22 pu。若負載端發生三相短路故障(S 閉合以模擬故障), 試求:
⑴故障前之負載電流(pu)。(10 分)
相關申論題
⑴試求此線路每相電容量。(10 分)
#61806
⑵若電壓為 33 kV、60 Hz,求每線之充電電流。(10 分)
#61807
二、作電力潮流分析時常用去耦合電力潮流法(decoupled power flow method),此法是 基於傳輸線電力潮流的那些物理現象來架構?(20 分)
#61808
⑵包含負載電流成分之發電機暫態電流(pu)。(10 分)
#61810
⑴臨界清除角δ c。(10 分)
#61811
⑵臨界清除時間tc。(10 分)
#61812
⑴說明保護電驛之任務為何?(10 分)
#61813
⑵繪圖並說明變壓器如何使用差動電驛作保護。(10 分)
#61814
(二)利用等面積準則,列出計算此情境下的臨界清除角δcr的公式。(12 分)
#570018
(一)求初始功率角δ0及故障清除後的最終穩定角δm。(13 分)
#570017
相關試卷
115年 - 115 關務特種考試_三等_電機工程(選試英文):電力系統#138944
115年 · #138944
114年 - 114 地方政府公務特種考試_三等_電力工程:電力系統#134738
114年 · #134738
114年 - 114 專技高考_電機工程技師:電力系統#133708
114年 · #133708
114年 - 114 公務升官等考試_薦任_電力工程:電力系統#133165
114年 · #133165
114年 - 114 高等考試_二級_電力工程:電力系統#131586
114年 · #131586
114年 - 114 高等考試_三級_電力工程:電力系統#128774
114年 · #128774
114年 - 114 關務特種考試_三等_電機工程(選試英文):電力系統#126644
114年 · #126644
113年 - 113 臺灣菸酒股份有限公司_從業職員及從業評價職位人員甄試試題_電子電機:電力系統(含電路學)#133978
113年 · #133978
113年 - 113 地方政府公務特種考試_三等_電力工程:電力系統#124553
113年 · #124553
113年 - 113 專技高考_電機工程技師:電力系統#123952
113年 · #123952