題組內容
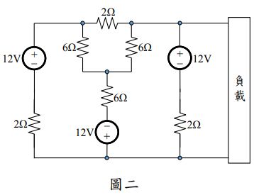
二、如圖二所示電路:

⑴試求出負載端之戴維寧(Thevenin)等效電路,須畫出等效電路。(20 分)
詳解 (共 3 筆)
詳解
中間三個6歐姆的轉換成三角形
各別為 18歐姆
RTH=(18//2+18//2)//2//18=1.2歐姆
Ith=8A 諾頓轉戴維寧
固Vth=8x1.2=9.6v
詳解
1.將Y型電路化為delta電路
Rdelta=18歐姆
2.求Rth
Rth=[(18//2)//1.8]+1.8=(1.8//1.8)+1.8=2.7歐姆
3.求Eth
a.中間部分電阻化簡
R2=[6//(6+2)]+6=(24/7)+6=66/7
詳解
Rth=0.84
Vth=31.44827586206897