阿摩線上測驗 登入

申論題資訊

試卷:108年 - 108 專技高考_機械工程技師:電工學(包括電機機械)#80735
科目:電工學(電工原理)
年份:108年
排序:0

題組內容

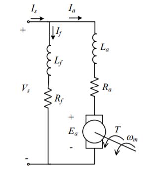
五、如下圖直流分激馬達(shunt motor),Vs = 7.2 V、Ra = 0.2 Ω。假如在恆 定場激(constant field excitation)時,Rf = 12 Ω。(每小題 5 分,共 10 分)5ddcc4f234d89.jpg

申論題內容

⑵當無負載時,假設無機械損失(no mechanical loss)時,求算馬達轉速。 - + La Ra Ia Vs - + Ea T wm Lf Rf If Is