阿摩線上測驗
登入
首頁
>
電機機械
>
103年 - 103年專門職業及技術人員高等建築師、技師、第二次食品技師暨普通不動產經紀人、記帳士考高等_電機工程技師#25268
> 申論題
申論題
試卷:103年 - 103年專門職業及技術人員高等建築師、技師、第二次食品技師暨普通不動產經紀人、記帳士考高等_電機工程技師#25268
科目:電機機械
年份:103年
排序:0
申論題資訊
試卷:
103年 - 103年專門職業及技術人員高等建築師、技師、第二次食品技師暨普通不動產經紀人、記帳士考高等_電機工程技師#25268
科目:
電機機械
年份:
103年
排序:
0
題組內容
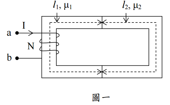
一、如圖一所示磁路,其鐵芯係由二段相同均勻截面積但不同導磁材料所構成,該 磁路中
,截面積為 10 cm
2
,導磁係數(permeability)μ
1
= 4000 μ
0
, μ
2
= 2000 μ
0
,μ0 = 4π×10
-7
H/m,匝數 N = 50,假設該磁路之磁漏與飽和效應均可 忽略不計,磁場在各段磁路中可視為均勻分布:
申論題內容
⑵試求圖中 a, b 兩端電路間之電感 L,請以毫亨利(mH)表示之。(10 分)