阿摩線上測驗
登入
首頁
>
電機機械
>
98年 - 98年專門職業及技術人員高等建築師、技師、消防設備師、普通不動產經紀人、記帳士、第二次消防設備士暨語言治療師造船工程技師#37982
> 申論題
題組內容
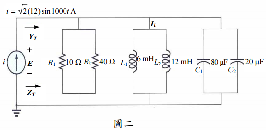
二、如圖二所示,試求:
⑵E和I
L
(10 分)
相關申論題
⑴氣隙功率(air-gap power)。(5 分)
#110270
⑵轉換功率(power converted)。(5 分)
#110271
⑶輸出功率。(5 分)
#110272
⑷電動機的效率。(5 分)
#110273
四、一變壓器 20 kVA,8000 V/240 V,60 Hz,其開路試驗與短路試驗數據如下: 開路試驗:VOC = 8000 V,POC = 400 W,IOC = 0.214 A 短路試驗:VSC = 489 V,PSC = 240 W,ISC = 2.5 A 試求等效至一次側的近似等效電路阻抗。(20 分)
#110274
⑴真值表(truth table)。(5 分)
#110275
⑵分別敘述時序脈波(CLK)為高電位時,電路的動作原理。(15 分)
#110276
一、⑴何謂竹節鋼筋之標稱直徑(nominal diameter)及標稱面積(nominal area)?(10 分)
#110277
⑵試簡述混凝土抗拉強度常用之測試方法及其應用之對象。(10 分)
#110278
⑴此梁在固定端的混凝土產生撓曲開裂時之活載重Pl =?(10 分)
#110279
相關試卷
115年 - 115 關務特種考試_三等_電機工程(選試英文):電機機械#138915
115年 · #138915
114年 - 114 台灣自來水股份有限公司_評價職位人員甄試試題_技術士操作類-甲(機電)、技術士操作類-甲(限具中級以上電氣技術人員資格報考)、技術士操作類-甲(機電)(限原住民族報考):電機(工)機械#139521
114年 · #139521
114年 - 114 地方政府公務特種考試_三等_電力工程:電機機械#134760
114年 · #134760
114年 - 114 專技高考_電機工程技師:電機機械#133717
114年 · #133717
114年 - 114 關務升官等考試、交通事業郵政升資考試_薦任、員級晉高員級_電力工程、技術類(選試電機機械)—關務、郵政:電機機械#133262
114年 · #133262
114年 - 114 交通事業郵政升資考試_佐級晉員級_技術類(選試電機機械概要)—郵政:電機機械概要#133211
114年 · #133211
114年 - 114 高等考試_二級_電力工程:電機機械#131612
114年 · #131612
114年 - 114 高等考試_三級_電力工程:電機機械#128777
114年 · #128777
114年 - 114 關務特種考試_三等_電機工程(選試英文):電機機械#126668
114年 · #126668
113年 - 113-2 國營臺灣鐵路股份有限公司_從業人員甄試_第8階-助理工程師-機械 第8階-助理工程師-電機:電機機械#137140
113年 · #137140