題組內容
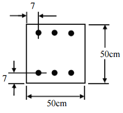
二、已知柱淨高 8m,屬於一無側向位移構架,斷面 50 cm×50 cm 如下圖,鋼筋強度
fy =4,200 kgf/cm2
,混凝土 f 'c =280 kgf/cm2
,柱設計軸力Pu = 180 tf,柱兩端設計彎矩
Mut =40 tf-m、Mub =30 tf-m,有效長度係數k =0.9 ,採用柱有效慣性矩Ie = 0.35 Ig(總
慣性矩),則:
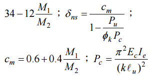
相關公式如下:
混凝土彈性模數Ec =15000 √f ′c kgf/cm2
;


