阿摩線上測驗
登入
首頁
>
工程數學(應用數學, 線性代數、微分方程、複變函數與機率)
>
96年 - 96 調查特種考試_三等_電子科學組:工程數學#36015
> 申論題
題組內容
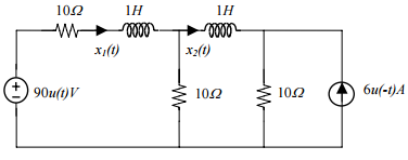
二、參考下面電路圖,其中u(t)為單位步階(Unit Step)函數、x(t)為電流。
⑶請求系統矩陣(System Matrix)A 之特徵值(Eigen Value)與特徵向量(Eigen Vector)。 (4 分)
相關申論題
⑴ xy′ + y = x2 y2 。(10 分)
#98210
⑵(e2y−yCos xy ) +dx (2xe2y − xCos xy+ 2y )dy= 0 。(10 分)
#98211
⑴請求狀態方程式(State Equation)x′(t) = Ax(t) + B(t),其中 x(t) [ x1 (t) x2 (t) ]T = 。(4 分)
#98212
⑵當t = 0時,請求初值(Initial Value)x(0)。(4 分)
#98213
⑷請求轉移矩陣(Transition Matrix) eAt 。(4 分)
#98215
⑸請求其解x(t),t > 0。(4 分)
#98216
⑴請求其傅立葉級數(Fourier Series)之半波正弦展開式(Half-Wave Sine Expansion)。 (10 分)
#98217
⑵請求其傅立葉級數之半波餘弦展開式(Half-Wave Cosine Expansion)。(10 分)
#98218
⑴單位切線向量(Unit Tangent Vector)T(5 分)
#98219
⑵主法線向量(Principal Normal Vector)N(5 分)
#98220
相關試卷
114年 - 114 專技高考_電機工程技師:工程數學(包括線性代數、微分方程、複變函數與機率)#133679
114年 · #133679
114年 - 114 專技高考_電子工程技師:工程數學(包括線性代數、微分方程、向量分析、複變函數與機率)#133677
114年 · #133677
114年 - 114 調查特種考試_三等_電子科學組:工程數學#129578
114年 · #129578
114年 - 114 國家安全情報特種考試_三等_電子組(選試英文):工程數學#127780
114年 · #127780
113年 - 113 專技高考_電子工程技師:工程數學(包括線性代數、微分方程、向量分析、複變函數與機率)#123976
113年 · #123976
113年 - 113 專技高考_電機工程技師:工程數學(包括線性代數、微分方程、複變函數與機率)#123971
113年 · #123971
113年 - 113 調查特種考試_三等_電子科學組:工程數學#122110
113年 · #122110
113年 - 113 身心障礙特種考試_三等_電力工程:工程數學#119517
113年 · #119517
112年 - 112 地方政府特種考試_三等_電力工程、電子工程:工程數學#118376
112年 · #118376
112年 - 112 專技高考_電機工程技師:工程數學(包括線性代數、微分方程、複變函數與機率)#117639
112年 · #117639