阿摩線上測驗
登入
首頁
>
鋼筋混凝土學與設計
>
99年 - 99 地方政府特種考試_三等_土木工程:鋼筋混凝土學與設計#31760
> 申論題
題組內容
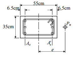
四、柱斷面為 35×55 cm,配置 6 根D25(#8)鋼筋(A
b
=5.067 cm
2
,f
y
=4,200 kgf/cm
2
),如 圖所示。混凝土強度 f '
c
=280 kgf/cm
2
,試求:(每小題 5 分,共 25 分)
⑸依據上面四組數據,繪此柱之強度互制圖。
相關申論題
⑴求彎矩設計強度時壓力鋼筋應力。(5 分)
#71862
⑵檢核鋼筋配置是否符合規範要求。(5 分)
#71863
⑶求彎矩設計強度φ Mn。(15 分)
#71864
⑴依照規範之規定,該斷面是否可以承受自重與外力所造成之剪力。
#71865
⑵不須配置剪力鋼筋之範圍。
#71866
⑶配置最少剪力鋼筋之範圍。
#71867
⑷臨界斷面處之肋筋間距 s。
#71868
⑸距支承 1.5 m 處之肋筋間距 s。
#71869
⑴採用 3-D32 主筋(db=3.58 cm,Ab=8.143 cm2 )及D13 肋筋。(8 分)
#71870
⑵採用 6-D22 主筋(db=2.22 cm,Ab=3.871 cm2 )及D10 肋筋。(8 分)
#71871
相關試卷
114年 - 114 地方政府公務、離島地區公務特種考試_三等_土木工程:鋼筋混凝土學與設計#134753
114年 · #134753
114年 - 114 高等考試_三級_土木工程:鋼筋混凝土學與設計#128726
114年 · #128726
113年 - 113-2 國營臺灣鐵路股份有限公司_從業人員甄試試題_第9階-技術員-土木工程:鋼筋混凝土學與設計概要#137156
113年 · #137156
113年 - 113 國營臺灣鐵路股份有限公司_從業人員甄試_第8階-助理工程師-土木工程:鋼筋混凝土學與設計#137104
113年 · #137104
113年 - 113-2 國營臺灣鐵路股份有限公司_從業人員甄試_第8階-助理工程師-土木工程:鋼筋混凝土學與設計#137090
113年 · #137090
113年 - 113-2 國營臺灣鐵路股份有限公司_從業人員甄試_第 9 階-技術員-土木工程:鋼筋混凝土學與設計概要#135450
113年 · #135450
113年 - 113 地方政府公務、離島地區公務特種考試_三等_土木工程:鋼筋混凝土學與設計#124342
113年 · #124342
113年 - 113 高等考試_三級_土木工程:鋼筋混凝土學與設計#121483
113年 · #121483
113年 - 113 國營臺灣鐵路股份有限公司_從業人員甄試_第 9 階-技術員-土木工程:鋼筋混凝土學與設計概要#119089
113年 · #119089
112年 - 112 地方政府特種考試_三等_土木工程:鋼筋混凝土學與設計#118382
112年 · #118382