阿摩線上測驗
登入
首頁
>
電力系統
>
109年 - 109 臺灣菸酒股份有限公司_從業職員及從業評價職位人員甄試_從業職員-電子電機、電機工程學程:電力系統(含電路學)#89134
> 申論題
題組內容
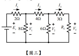
第三題: 直流電路如【圖三】所示,【圖三】的電源電壓為 E
s
=180V 、電阻 RL=9Ω請回答下列 問題:【各小題未列出計算過程者,不予計分】
(三)電阻 R
L
消耗功率為何?【5 分】
相關申論題
(一)【圖一】中的線電流 I1 、 I2 (單位為 A)為何?【10 分】
#361810
(二)【圖一】中的線電壓 V2、V3 (單位為 V)為何?【10 分】
#361811
(三)傳輸線總消耗實功率為何?【5 分】 【註:電源側等效阻抗忽略不計,線電壓 V2、V3 及線電流I1 、 I 2 只寫絕對值;各小題未 列出計算過程者,不予計分】
#361812
(一)若負載為電阻及電感抗串聯,則負載的電阻及電感抗為何?【5 分】
#361813
(二)調整電容 C1 ,使電源側提供功率因數為 1.0,則電流 及電容 C1 的值為何? 【15 分】
#361814
(三)同第(二)小題之條件,請計算電源側提供實功率為何?【5 分】 【註: cos30°= 0.866 ,sin30° =0.5 各小題未列出計算過程者,不予計分】
#361815
(一)電流 I1 、 I 2 、 I3 為何?【10 分】
#361816
(二)電壓 V1、V2、V3為何?【10 分】
#361817
(一)負載的總實功率及總虛功率為何?【5 分】
#361819
(二)計算電源端的線電壓及系統的電壓調整率為何?【10 分】
#361820
相關試卷
115年 - 115 關務特種考試_三等_電機工程(選試英文):電力系統#138944
115年 · #138944
114年 - 114 地方政府公務特種考試_三等_電力工程:電力系統#134738
114年 · #134738
114年 - 114 專技高考_電機工程技師:電力系統#133708
114年 · #133708
114年 - 114 公務升官等考試_薦任_電力工程:電力系統#133165
114年 · #133165
114年 - 114 高等考試_二級_電力工程:電力系統#131586
114年 · #131586
114年 - 114 高等考試_三級_電力工程:電力系統#128774
114年 · #128774
114年 - 114 關務特種考試_三等_電機工程(選試英文):電力系統#126644
114年 · #126644
113年 - 113 臺灣菸酒股份有限公司_從業職員及從業評價職位人員甄試試題_電子電機:電力系統(含電路學)#133978
113年 · #133978
113年 - 113 地方政府公務特種考試_三等_電力工程:電力系統#124553
113年 · #124553
113年 - 113 專技高考_電機工程技師:電力系統#123952
113年 · #123952