阿摩線上測驗
登入
首頁
>
電力電子學
>
101年 - 101 專利商標審查特種考試_三等_電力工程:電力電子#44630
> 申論題
題組內容
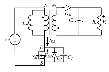
二、返馳式轉換器(Flyback Converter )之電路架構如下圖所示,試回答下列問題:
⑴由於開關元件的S
M
和D
M
的非理想特性,因此將造成開關切換損失。試畫出V
DS
和 I
DS
之示意波形,並解說如何造成切換損失。(10 分)
相關申論題
⑴說明此轉換器在連續導通模式下之降/升壓轉換原理。(10 分)
#147756
⑵推導此轉換器在連續導通模式下之輸出對輸入的電壓轉換比率(Vo / Vi)。(10 分)
#147757
⑵當多考量電路的雜散元件時,將造成電壓突波跨於開關SM之D-S端。試設計能夠 壓抑此電壓突波的電路,並說明其動作原理。(10 分)
#147759
⑴說明如何以Sinusoidal PWM(SPWM)和Unipolar切換方式來控制開關S1 ~ S4和D1 ~ D4,以達到弦波電流注入交流電網的功能。(10 分)
#147760
⑵說明如何以SPWM和Bi-polar切換方式來控制開關S1 ~ S4和D1 ~ D4,以達到弦波電 流注入交流電網的功能。(10 分)
#147761
⑴列舉四種二極體。(8 分)
#147762
⑵說明其電氣特性(或特點)和應用場合。(12 分)
#147763
⑴試畫出以雙 U 型鐵心來繞製兩繞組之變壓器示意圖(須清楚標示繞線方向和電壓 極性),並以法拉第定律和楞次定律來說明其一、二次側電壓轉換比率和電壓極 性。(12 分)
#147764
⑵說明漏感產生的原因以及如何降低漏感。(8 分)
#147765
(五)若直流鏈電壓命令= 400 V,穩態下控制信號峰值與三角波信號峰值之比例約為?
#554301
相關試卷
114年 - 114 台灣電力公司_大學及研究所獎學金甄選試題_電力電子:電力電子#137061
114年 · #137061
114年 - 114 高等考試_二級_電力工程:電力電子#131608
114年 · #131608
113年 - 113 台灣電力公司大學及研究所獎學金甄選試題_電力電子:電力電子#129259
113年 · #129259
113年 - 113 高等考試_二級_電力工程:電力電子#123066
113年 · #123066
112年 - 112 台灣電力公司大學及研究所獎學金甄選試題_電力電子:電力電子#129261
112年 · #129261
112年 - 112 高等考試_二級_電力工程:電力電子#116758
112年 · #116758
111年 - 111 高等考試_二級_電力工程:電力電子#111034
111年 · #111034
110年 - 110 高等考試_二級_電力工程:電力電子#101928
110年 · #101928
109年 - 109 高等考試_二級_電力工程:電力電子#91547
109年 · #91547
108年 - 108 高等考試_二級_電力工程:電力電子#79568
108年 · #79568