阿摩線上測驗
登入
首頁
>
電力電子學
>
104年 - 104 高等考試_二級_電力工程:電力電子#42023
> 申論題
題組內容
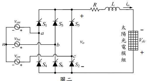
二、如圖二所示之三相全控整流器主電路,若輸入電壓為三相平衡電源,且線電壓之有 效值為 220 Vrms,60 Hz,負載為 R = 15 Ω ,電感 L 及太陽光電模組之串聯組合,假 設電感 L 大到足以使電流連續且可視為直流定值,並假設太陽光電模組有足夠之發 電能力,則:
⑴若V
dc
= 0 V (未接太陽光電模組)時,求欲產生 10 A 平均負載電流所需之觸發 延遲角。(10 分)
相關申論題
⑴請分別繪出開關導通及截止時之等效電路。(6 分)
#131358
⑵請繪出磁化電感 Lm 之電壓 v1 及電流 iLm 波形。(6 分)
#131359
⑶求開關之耐壓 vsw 及二極體 D 之耐壓 v D (以電路中之變數表示)。(8 分)
#131360
⑷請推導其輸出電壓(Vo )與輸入電壓(Vs )之轉換比。(10 分)
#131361
⑵若 Vdc = 300 V ,當觸發延遲角 α = 120 ° 時,求由太陽光電模組回送至交流電源之 功率及電阻所吸收之功率。(15 分)
#131363
⑴與雙極性(Bipolar)切換方式比較,採單極性切換之優點為何?(5 分)
#131364
⑵ S1 ~ S4 各開關之導通與截止如何由載波信號 vtri 和調變波信號 vcontrol 及 − vcontrol 決定? (4 分)
#131365
⑶有那幾種開關導通組合?又在各種開關導通組合下,其輸出電壓 vo 分別為何? (8 分)
#131366
⑷由圖示中可得此變流器之頻率調變比 m f 為多少?又其輸出電壓 vo 之最低次諧波 為幾階?(8 分)
#131367
四、⑴何謂同步整流器?其在電源供應器中採用之主要目的為何?(5 分)
#131368
相關試卷
114年 - 114 台灣電力公司_大學及研究所獎學金甄選試題_電力電子:電力電子#137061
114年 · #137061
114年 - 114 高等考試_二級_電力工程:電力電子#131608
114年 · #131608
113年 - 113 台灣電力公司大學及研究所獎學金甄選試題_電力電子:電力電子#129259
113年 · #129259
113年 - 113 高等考試_二級_電力工程:電力電子#123066
113年 · #123066
112年 - 112 台灣電力公司大學及研究所獎學金甄選試題_電力電子:電力電子#129261
112年 · #129261
112年 - 112 高等考試_二級_電力工程:電力電子#116758
112年 · #116758
111年 - 111 高等考試_二級_電力工程:電力電子#111034
111年 · #111034
110年 - 110 高等考試_二級_電力工程:電力電子#101928
110年 · #101928
109年 - 109 高等考試_二級_電力工程:電力電子#91547
109年 · #91547
108年 - 108 高等考試_二級_電力工程:電力電子#79568
108年 · #79568