阿摩線上測驗
登入
首頁
>
電工學(電工原理)
>
100年 - 100 高等考試_三級_汽車工程:電工學#45823
> 申論題
題組內容
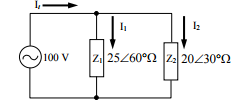
二、在下圖電路中:
⑶求出總負載之視在功率 S(apparent power),請以伏安(VA)單位表示之。(5 分)
相關申論題
⑴求出總負載之實功率 P(real power),請以瓦特單位表示之。(5 分)
#154985
⑵求出總負載之虛功率 Q(reactive power),請以泛(VAR)單位表示之。(5 分)
#154986
⑷求出總負載之功率因數(power factor)。(5 分)
#154988
三、有一部它激式直流發電機,其電樞電阻Ra為 0.1 Ω,其額定功率、電壓與轉速依序 分別為 20 kW、120 V與 2000 rpm。假設忽略磁飽和效應及摩擦風阻等損耗,並維 持其額定激磁電流不變,僅將轉速調降為 1800 rpm,試問該發電機此時之開路電壓 應為多少伏特?(20 分)
#154989
⑴由定子繞組電流所產生之旋轉磁場對定子之轉速為多少 rad/sec?(5 分)
#154990
⑵轉子導體電流之頻率為多少赫茲(Hz)?(5 分)
#154991
⑶額定運轉下之電磁轉矩為多少牛頓·米(N·m)?(10 分) (註:1 馬力= 746 W)
#154992
五、有一台規格為 5 kVA、60 Hz、440/110 伏特之理想單相變壓器,當施加額定電壓於其 高壓側時,得知該側電流為 10 A,功率因數(power factor)為 0.9 領前(leading)。 試求此時連接於低壓側之阻抗負載之阻抗(impedance)大小,請以歐姆單位表示之。 (20 分)
#154993
⑸當轉差率為 10%時,轉子之轉速。(20 分)
#557430
⑷滿載時,轉子磁場對定子之轉速;
#557429
相關試卷
114年 - 114 專技高考_機械工程技師:電工學(包括電機機械)#133672
114年 · #133672
114年 - 114 專技高考_冷凍空調工程技師:電工學(包括電機機械)#133575
114年 · #133575
113年 - 113 專技高考_冷凍空調工程技師:電工學(包括電機機械)#123966
113年 · #123966
113年 - 113 專技高考_機械工程技師:電工學(包括電機機械)#123960
113年 · #123960
113年 - 113 專技高考_造船工程技師:電工學(包括電機機械)#123943
113年 · #123943
112年 - 112 專技高考_冷凍空調工程技師:電工學(包括電機機械)#117677
112年 · #117677
112年 - 112 專技高考_機械工程技師:電工學(包括電機機械)#117638
112年 · #117638
111年 - 111 臺北自來水事業處及所屬工程總隊_新進職員(工)甄試_機電工程_一級工程員:電工原理#113529
111年 · #113529
111年 - 111 專技高考_造船工程技師:電工學(包括電機機械)#111947
111年 · #111947
111年 - 111 專技高考_冷凍空調工程技師:電工學(包括電機機械)#111944
111年 · #111944