阿摩線上測驗
登入
首頁
>
電工機械(概要、大意)
>
103年 - 103年員級電工機械概要#43588
> 申論題
題組內容
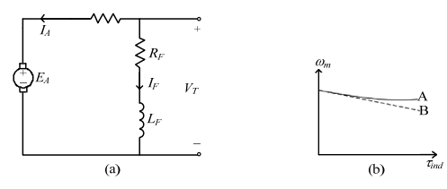
二、一部分激式直流電動機的等效電路如下圖(a)所示,下圖(b)表示輸入電壓固定時,此 直流電動機的轉矩-轉速特性曲線,其中,A 與 B 兩條曲線,一條為有電樞反應之 特性曲線;另一條為無電樞反應之特性曲線。請說明:
⑶那一條曲線為有電樞反應之特性曲線?並說明原因。(10 分)
相關申論題
⑴旋轉速率為每分鐘多少圈?(5 分)
#140693
⑵原動機的輸出轉矩為多少牛頓-米?(5 分)
#140694
⑶每相的內部電壓為多少?(10 分)
#140695
⑷發電機的效率?(5 分)
#140696
⑴感應電動機的轉速差?(5 分)
#140697
⑵感應電動機的轉矩為多少牛頓-米?(5 分)
#140698
⑶當轉矩變為 2 倍時,則轉速變為多少(5 分)?此時提供到負載的功率為多少? (10 分)
#140699
⑴今有 16 位元二進位浮點數:1101100011000101,試問此數之十進數值(decimal value)為何?(10 分)
#140700
⑵試以上述之浮點數結構,將十進數 115.7010 之 16 位元二進位浮點數表示出來。 (10 分)
#140701
⑴假設某資料處理程式之輸入資料量為 n,而該程式所採用的演算法平均所需的運 算量之數量級為 O(n),則當輸入資料量為 5 倍時,此程式在同一機器上的執行耗 時應為何?(5 分)
#140702
相關試卷
115年 - 115 關務特種考試_四等_電機工程(選試英文):電工機械概要#138924
115年 · #138924
115年 - 115-1 臺北市立大安高工教師甄選試題_控制科:電工機械#138443
115年 · #138443
115年 - 115 國營臺灣鐵路股份有限公司_從業人員甄試試題_第10階-助理技術員-電力 第10階-助理技術員-電力(臨軌施工) 第10階-助理技術員-電務 第10階-助理技術員-電務(產學合作) 第10階-助理技術員-電務(臨軌施工):電工機械概要#138253
115年 · #138253
114年 - 114 地方政府公務特種考試_四等_電力工程:電工機械概要#134752
114年 · #134752
114年 - 114 普通考試_電力工程:電工機械概要#128780
114年 · #128780
114年 - 114 關務特種考試_四等_電機工程(選試英文):電工機械概要#126594
114年 · #126594
113年 - 113-2 國營臺灣鐵路股份有限公司_從業人員甄試試題_第10階-助理技術員-電務 第10階-助理技術員-電力:電工機械概要#137202
113年 · #137202
113年 - 113-2 國營臺灣鐵路股份有限公司_從業人員甄試試題_第9階-技術員-電機 第9階-技術員-機械 第10階-助理技術員-電機:電機機械概要#137199
113年 · #137199
113年 - 113 地方政府公務特種考試_四等_電力工程:電工機械概要#124460
113年 · #124460
113年 - 113 普通考試_電力工程:電工機械概要#121150
113年 · #121150