阿摩線上測驗
登入
首頁
>
技檢◆銑床-CNC 銑床-乙級
> 無年度 - 18201 銑床-CNC 銑床 乙級 工作項目04:銑削條件之判斷及處理及傳統銑床、CNC銑床-銑削實習201-247#48033
無年度 - 18201 銑床-CNC 銑床 乙級 工作項目04:銑削條件之判斷及處理及傳統銑床、CNC銑床-銑削實習201-247#48033
科目:
技檢◆銑床-CNC 銑床-乙級 |
選擇題數:
47 |
申論題數:
0
試卷資訊
所屬科目:
技檢◆銑床-CNC 銑床-乙級
選擇題 (47)
複選題
201. 量測工件的間隙可使用下列何者?(A)高度規(B)厚薄規(C)塊規(D)投影機。
複選題
202. 下列何者屬於逆銑切削特性?(A)切屑由薄而厚,銑刀受力先輕後重(B)受螺桿背隙影響較大(C)適合銑削薄件(D) 適合銑削黑皮面鑄件。
複選題
203. 下列何者屬於順銑切削特性?(A)加工時摩擦較少,銑刀刃口壽命較長(B)受螺桿背隙影響較大(C)進給消耗功率 較大(D)適合銑削黑皮面鑄件。
複選題
204. 一斜度工件長 30mm,標註為 1:5±0.002,量測出小端高度 10.05mm,則大端的容許高度為(A)15.95(B)16.00(C)1 6.05(D)16.10 mm。
複選題
205. 對傳統銑床的操作下列敘述何者正確?(A)重切削應採用順銑法(B)搪孔可用自動向下進刀功能(C)作 X 方向銑 削時,應固定 Y 方向的移動(D)面銑削時,應鎖緊主軸套筒。
複選題
206. 若切削進給率為 140mm/min 時,每刃進給不得超過 0.25mm,下列切削條件何者適用?(A)2 刃 300rpm(B)4 刃 1 20rpm(C)5 刃 100rpm(D)6 刃 95rpm。
複選題
207. 在傳統銑床上以直徑 20mm 端銑刀作深度 50mm 側邊粗銑,應避免下列何種銑削方式? (A)
(B)
(C)
(D)
複選題
208. 如下圖所示,若要在 10 度斜面處再銑一 50 度斜面,則下列 x 方向移動量與量錶數據的關係何者有誤?
(A)x 軸走 10mm 量錶指針轉 6.43mm(B)x 軸走 8mm 量錶指針轉 7.95mm(C)x 軸走 7.78mm 量錶指針轉 5.0mm(D)x 軸走 6.58mm 量錶指針轉 6.0mm(sin40°=0.64278)。
複選題
209. 若銑床 X 方向的進給手輪每格刻度 0.02mm,一轉 2.5mm,已知背隙有 5 格 。要鑽三孔,如圖所示,若手 輪正轉定位 A 孔,鑽完後,再鑽 BC 兩孔,下列定位過程何者有誤?
(A)正轉 4 圈鑽 B 孔,再正轉 4 圈鑽 C 孔(B)正轉 8 圈鑽 C 孔,再反轉 4 圈鑽 B 孔(C)正轉 8 圈鑽 C 孔,再反轉 5 格加 4 圈後鑽 B 孔(D)正轉 8 圈加 5 格鑽 C 孔,再反轉 4 圈鑽 B 孔。
複選題
210. 工件夾持於虎鉗作端銑與側銑的情況下,將兩端面平行的圓錐形工件,銑成具有 24 個直角的六面體,如圖 所示,應如何安排各面的銑削順序?
(A)1→2→3→6→4→5(B)4→6→3→5→2→1(C)3→1→4→5→6→2(D)3→5→4 →6→1→2。
複選題
211. 下列何指令與補正有關?(A)G44(B)G46(C)G48(D)G50。
複選題
212. 下列敘述何者正確?(A)執行 G91 G00 X86.6 Y50.0 時,刀具移動先與 X 軸成 45°夾角(B)執行 G91 G01 X86.6 Y5 0.0 F200 時,刀具移動與 X 軸成 30°夾角(C)執行 G91 G18 G01 X86.6 Y50.0 Z20.0 F200 時,刀具無 Y 軸的移動 (D)執行 G91 G17 G02 I-20.0 時,因缺少 X 及 Y 座標以致於刀具無法移動。
複選題
213. 執行 G92 X50.0 Y50.0 Z50.0 單節之前,下列刀具相對位置的敘述,何者錯誤?(A)刀具至機械原點的相對座標 為 X50.0 Y50.0 Z50.0(B)程式原點至刀具的相對座標為 X50.0 Y50.0 Z50.0(C)機械原點至刀具的相對座標為 X50. 0 Y50.0 Z50.0(D)刀具至程式原點的相對座標為 X50.0 Y50.0 Z50.0。
複選題
214. 以 G41 的方式銑削長方體的外輪廓,得到偏大 0.1mm 的尺寸,此時可採用下列何方法修正?(A)刀徑補正值 減 0.05mm(B)刀徑補正值減 0.1mm(C)程式路徑向內縮 0.05mm(D)程式路徑向內縮 0.1mm。
複選題
215. 執行 G91 G01 X86.6 Y50.0 F100 時,刀具的速率下列何者正確?(A)X 軸的移動速率為 100mm/min(B)X 軸的移動 速率為 86.6mm/min(C)Y 軸的移動速率為 100mm/min(D)Y 軸的移動速率為 50mm/min。
複選題
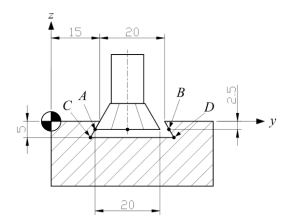
216. 精銑削 60°鳩尾槽,如下圖,刀端中心為刀具基準點,下列何者正確?(A)銑削 A 點時刀具的 Y 座標為 23.56 mm(B)銑削 B 點時刀具的 Y 座標為 26.44mm(C)銑削 C 點時刀具的 Y 座標為 22.11mm(D)銑削 D 點時刀具的 Y 座標為 26.88mm。
複選題
217. 在 NC 銑床上銑削工件的刀具路徑為長方形,銑削後的工件尺寸未達圖面要求,可使用下列何種方法修正? (A)修改 F 值(B)修改 S 值(C)修改 D 值(D)修改程式。
複選題
218. 在立式 NC 銑床上銑削斜面,若此斜面垂直於 XY 平面並與 XZ 平面成一夾角,可採用下列何種方法(A)旋轉 虎鉗(B)執行程式(C)墊斜度墊塊於工件底面(D)使用錐度銑刀。
複選題
219. 程式中利用同一端銑刀銑削兩個深度後,發現兩個深度差值未達要求,不應修改(A)刀長補正值(B)刀徑補正值 (C)程式原點的位置(D)程式中某一個深度值。
複選題
220. 在立式 NC 銑床上以端銑刀精銑削長方形外輪廓後,得到偏大的尺寸,不須修改下列何者之設定值?(A)G92 (B)G54(C)H(D)D。
複選題
221. 在立式 NC 銑床上以端銑刀的側刃銑削長方體工件的一面之後,發現該面與相鄰面的直角度不佳,下列何者 為可能原因?(A)虎鉗鉗口與運動軸不平行(B)F 值太大(C)S 太小(D)切深不足。
複選題
222. 在立式 NC 銑床上以虎鉗夾持薄工件時,下列敘述何者不正確(A)活動鉗口傾斜可能造成工件向上移(B)用大鐵 鎚敲工件使工件向下貼平(C)不必考慮工件變形的問題(D)以軟鎚邊敲邊鎖緊。
複選題
223. 如圖所示之凹槽欲利用 NC 銑床作最後一道精銑,宜選用下列何直徑之端銑刀
(A)6mm(B)8mm(C)10mm(D)12mm。
複選題
224. NC 銑床在下列何種模式(Mode)下,可手動裝卸刀把?(A)自動執行程式(Auto)(B)寸動操作(Jog)(C)手動資料輸入 (MDI)(D)手動原點復歸(Home)。
複選題
225. 下列有關 NC 銑床的敘述何者正確?(A)NC 程式是以刀具中心為基準來描寫切削路徑(B)程式加工之刀具宜設 定長度補正(C)G54 座標系用於設定刀具由「程式原點」移動到「機械原點」之位移(D)尋邊器可配合使用於設 定工作座標系。
複選題
226. NC 銑床程式執行中,按壓那些鍵可立即停止刀具移動(A)RESET(B)OPT STOP(C)CYCLE STOP(D)EMERGENCY STOP。
複選題
227. NC 銑床在 XY 平面上的圓弧銑削(O 為圓心,P 為起點,Q 為終點),下列敘述何者正確?(A)
(B)
(C)
(D)
。
複選題
228. 工件如圖所示,欲在 XY 平面上鑽直徑 8mm 數孔,O 為程式原點,執行程式 G90 G81 X10.0 Y10.0 R3.0 Z-20. 0 F150;G91 X12.0 Y12.0 K5;下列敘述何者正確?(A)數孔中心為一直線排列且與 X 軸呈 45 度(B)共鑽 5 孔(C)最終 孔之位置為(60,60)(D)鑽孔深度為 20mm。
複選題
229. 執行 G00 快速定位指令,由 A 點至 B 點路徑,下列圖形何者正確? (A)
(B)
(C)
(D)
。
複選題
230. 在不同的加工平面上以 G03 沿箭頭方向切削圓弧,下列何者正確? (A)
(B)
(C)
(D)
。
複選題
231. 使用 G41D01 指令精銑削外形尺寸
mm,若端銑刀直徑 8mm,理論上 D 值可設定為(A)4.02(B)4.00(C)3.98 (D)3.96。
複選題
232. 使用 G41D01 指令精銑削外形尺寸
mm,若端銑刀直徑 8mm,理論上 D 值可設定為(A)4.02(B)4.00(C)3.98 (D)3.96。
複選題
233. 使用 G42D01 指令精銑削溝槽尺寸
mm,若端銑刀直徑 8mm,理論上 D 值可設定為(A)4.02(B)4.01(C)4.00 (D)3.98。
複選題
234. 使用 G42D01 指令精銑削溝槽尺寸
mm,若端銑刀直徑 8mm,理論上 D 值可設定為(A)4.02(B)4.00(C)3.99 (D)3.96。
複選題
235. 使用 G41D01 指令精銑削外形時,若端銑刀直徑 8mm 且 D 值 4.05,得尺寸 30.15mm 。同一加工條件下, 若外形尺寸
為 mm,則 D 值可設定為(A)4.02(B)4.00(C)3.98(D)3.96。
複選題
236. 使用 G42D01 指令精銑削溝槽時,若端銑刀直徑 8mm 且 D 值 4.05,得尺寸 29.85mm 。同一加工條件下, 若溝槽尺寸
為 mm,則 D 值可設定為(A)4.02(B)4.00(C)3.97(D)3.95。
複選題
237. 使用刀徑補正(正值)與其刀具路徑方向,下列圖形何者正確? (A)
(B)
(C)
(D)
。
複選題
238. 銑削不同工作座標系標示的數個相同輪廓,可使用下列何指令?(A)G53(B)G55(C)G58(D)G60。
複選題
239. 如圖所示,欲設定 G43 之刀長補正值,當工作座標系之 Z 值設為 0.0 時,則下列補正值何者正確?
(A)H1=0. 0(B)H1=-120.0(C)H2=20.0(D)H2=-100.0。
複選題
240. 如圖所示,欲設定 G43 之刀長補正值,當工作座標系之 Z 值設為-120.0 時,則下列補正值何者正確?(A)H1= 0.0(B)H1=-120.0(C)H2=20.0(D)H2=-100.0。
複選題
241. 如圖,欲設定各刀之 G43 刀長補正值,當控制器內 G54 之 Z 值已設定為-50.0 時,則下列補正值何者正確? (A)H1=-200.0(B)H1=-250.0(C)H2=-180.0(D)H2=-230.0。
複選題
242. NC 銑床上定義軸向敘述何者正確?(A)XY 平面永遠是在水平方向(B)刀具主軸為 Z 軸(C)當刀具移向工件方向 定義為正(D)繞 X 軸之旋轉軸為 A 軸。
複選題
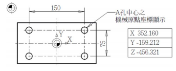
243. 機械原點與工件原點之相對位置如下圖,若測出右上 A 孔之機械座標如表所示,則工件原點之機械座標為 何?
(A)X=277.160(B)Y=–121.712(C)Y=–196.712(D)X=427.160。
複選題
244. 將一長方形工件夾於虎鉗,以球頭直徑 10mm 光電尋邊器尋找程式原點,碰觸時之座標如下圖所示,程式原 點的機械座標為何?
(A)X=247.160(B)Y=–125.10(C)X=305.20(D)Y=–191.902。
複選題
245. 如下圖所示,程式原點位於工件頂面正中央,以光電尋邊器尋找程式原點,若球頭直徑為 10mm,則程式原 點的機械座標為何?
(A)X=410.5(B)Y=–185.21(C)X=400.118(D)Y=–163.431。
複選題
246. 欲以 NC 銑床攻 M12×1.75 的螺紋,若牙深 25mm 且下刀開始及提刀停止均在 Z=5.0mm 處,則可使用到下列 何單節程式?(A)G99G86X30.0Y20.0Z-25.0R5.0F87.5;(B)M03S50;(C)G99G84X30.0Y20.0Z-25.0R5.0F87.5;(D)G01 Z-25.0F87.5;。
複選題
247. 如圖所示要在銑床上鑽出六孔,則下列何者非此六孔的座標?
(A)(-75,129.9)(B)(0,150)(C)(75,129.9)(D)(-129.9,75)。
申論題 (0)
相關試卷
115年 - 18201 銑床-CNC 銑床 乙級 工作項目 06:傳統銑床、CNC銑床-故障排除及機具維護 51-76(2026/01/05 更新)#136141
115年 · #136141
115年 - 18201 銑床-CNC 銑床 乙級 工作項目 06:傳統銑床、CNC銑床-故障排除及機具維護 1-50(2026/01/05 更新)#136140
115年 · #136140
115年 - 18201 銑床-CNC 銑床 乙級 工作項目 05:傳統銑床、CNC銑床-二又二分之一次圓弧及輪廓 51-85(2026/01/05 更新)#136139
115年 · #136139
115年 - 18201 銑床-CNC 銑床 乙級 工作項目 05:傳統銑床、CNC銑床-二又二分之一次圓弧及輪廓 1-50(2026/01/05 更新)#136138
115年 · #136138
115年 - 18201 銑床-CNC 銑床 乙級 工作項目 04:銑削條件之判斷及處理及傳統銑床、CNC銑床-銑削實習 201-247(2026/01/05 更新)#136137
115年 · #136137
115年 - 18201 銑床-CNC 銑床 乙級 工作項目 04:銑削條件之判斷及處理及傳統銑床、CNC銑床-銑削實習 151-200(2026/01/05 更新)#136136
115年 · #136136
115年 - 18201 銑床-CNC 銑床 乙級 工作項目 04:銑削條件之判斷及處理及傳統銑床、CNC銑床-銑削實習 101-150(2026/01/05 更新)#136135
115年 · #136135
115年 - 18201 銑床-CNC 銑床 乙級 工作項目 04:銑削條件之判斷及處理及傳統銑床、CNC銑床-銑削實習 51-100(2026/01/05 更新)#136134
115年 · #136134
115年 - 18201 銑床-CNC 銑床 乙級 工作項目 04:銑削條件之判斷及處理及傳統銑床、CNC銑床-銑削實習 1-50(2026/01/05 更新)#136133
115年 · #136133
115年 - 18201 銑床-CNC 銑床 乙級 工作項目 03:工件夾持及校正及傳統銑床、CNC銑床-刀具選用及裝卸 101-130(2026/01/05 更新)#136132
115年 · #136132