阿摩線上測驗
登入
首頁
>
船用電機與自動控制(概要)
> 100年 - 100年第三次船用電機與自動控制#45359
100年 - 100年第三次船用電機與自動控制#45359
科目:
船用電機與自動控制(概要) |
年份:
100年 |
選擇題數:
40 |
申論題數:
0
試卷資訊
所屬科目:
船用電機與自動控制(概要)
選擇題 (40)
1.在電動機的正反轉控制線路中,常將正反轉接觸器的常閉觸頭相互串聯在對方的接觸器線圈電路 中,此為何種控制? (A)連鎖控制 (B)互鎖控制 (C)自鎖控制 (D)順序控制
2.當積分器之輸入為方波時,其輸出波形為: (A)三角波 (B)脈衝(Impulse) (C)斜波(Ramp) (D)反相之方波
3.功率型的MOSFET的主要特點為: (A)具有高輸入阻抗、高切換速度 (B)具有高的工作容量(KVA) (C)具有高的導通電流 (D)具有高的電壓增益
4.數位電路中具有記憶特性的電路為: (A)AND邏輯 (B)OR邏輯 (C)組合邏輯 (D)正反器
5.控制系統的階梯反應(Step response)若出現收斂性的震盪,則震盪的週期越大顯示該系統: (A)穩定性越好 (B)穩定性越差 (C)反應速度越快 (D)反應速度越慢
6.線圈的電感量L與下列何者無關? (A)線圈匝數N (B)穿過線圈的磁通量Φ (C)附近介質的磁導率μ (D)線圈長度l
7.有一二進制數10001000
(2)
,它所對應的十進制數為: (A)88 (B)136 (C)144 (D)152
8.磁脈衝感測器之微分電路的作用為何? (A)把矩形波轉換成不同頻率的梯形脈衝 (B)把矩形波轉換成不同頻率的尖峰脈衝 (C)把矩形波轉換成同頻率的梯形脈衝 (D)把矩形波轉換成同頻率的尖峰脈衝
9.船舶集中監視與警報系統中,3分鐘失職警報是指: (A)發出故障警報3分鐘內,值班輪機人員未到機艙控制室 (B)發出故障警報3分鐘內,值班輪機人員未到故障現場 (C)發出故障警報3分鐘內,故障尚未修復 (D)發出故障警報3分鐘內,輪機人員未在住艙
10.匯流排上過負荷發生時,優先跳脫裝置先行切斷那些電力? (A)高功率負載 (B)次要負載 (C)一般負載 (D)艏推進電力
11.任何一種柴油主機遙控系統,其主要目的為達到下列那些功能? (A)啟動、換向、停止、安全、減速 (B)啟動、停止、換向、速度控制、安全 (C)啟動、速度控制、停止、安全 (D)啟動、換向、自動加速、停止
12.遙控系統中副鼓風機置於自動“Auto”模式;當主機停俥(Finish with engine)後,副鼓風機如 何作動? (A)立刻停止運轉 (B)繼續運轉保持進氣 (C)運轉15分鐘後自動停止運轉 (D)兩台以上鼓風機則單機停止
13.船舶航行中有碰撞之虞,實施緊急倒俥(Crash astern),主機在運轉中進行換向並切斷油門。 為儘快倒俥,啟動所採用的控制回路稱為: (A)制動邏輯回路 (B)轉速發信回路 (C)轉速限制回路 (D)重新啟動邏輯回路
14.柴油主機遙控系統對於轉速的加、減速率,設有不同的程序控制,但那一種過程沒有加、減俥速 率的限制? (A)自動減俥過程 (B)自動加俥過程 (C)港內變換俥速過程 (D)緊急停俥過程
15.當船舶航行中有碰撞危機,船長實施緊急倒俥(Crash astern),將俥令由Nav. Full直接移到 Emergency astern位置,此時燃油立即被切斷;此燃油被切斷的原因為何? (A)因緊急倒俥信號直接驅動轉俥機所致 (B)因滑油失壓安全裝置作動所致 (C)俥鐘桿經過停止位置及迴轉方向安全裝置作動所致 (D)推力軸高溫安全裝置作動所致
16.電磁接觸器名牌上的額定電壓、額定電流係指: (A)線圈的額定參數 (B)接點的額定參數 (C)前者是線圈的額定參數,後者是接點的額定參數 (D)後者是線圈的額定參數,前者是接點的額定參數
17.絕緣指示燈是裝在主配電盤的那一個盤(Panel)上? (A)並聯盤 (B)主發電機控制盤 (C)岸電聯接箱 (D)供電盤
18.克希荷夫定律的依據是: (A)歐姆定律 (B)全電流定律 (C)法拉第定律 (D)能量守恆定律
19.船舶緊急照明的特點為: (A)安裝的燈數較少,照度要求不高 (B)安裝的燈數較少,照度要求較高 (C)安裝的燈數較多,照度要求不高 (D)安裝的燈數較多,照度要求較高
20.磁脈衝感測器檢測轉速的特點為: (A)檢測精度低,轉換線路複雜 (B)檢測精度高,轉換線路簡單 (C)檢測精度高,轉換線路複雜 (D)檢測精度低,轉換線路簡單
21.配電盤上的岸電接線箱,在使用岸電時,除了有指示燈顯示外,尚需配備何種儀錶? (A)電壓錶 (B)電流錶 (C)頻率錶 (D)功率錶
22.下列何者由緊急配電盤供電? (A)船員住艙照明 (重要部分) (B)錨機 (C)主海水泵 (D)淡水泵
23.在主配電盤的供電盤上不裝有: (A)絕緣錶及絕緣指示燈 (B)同步錶及同步指示燈 (C)與岸電聯接箱相連的岸電開關及相序指示燈 (D)主配電盤與緊急配電之間的聯絡開關
24.下列何者在緊急配電盤上不需設置? (A)控制盤 (B)並聯盤 (C)供電盤 (D)匯流排
25.未浸漬的棉紗、絲、紙等絕緣材料,其最高允許溫度為: (A)180℃ (B)150℃ (C)120℃ (D)90℃
26.遙控系統中所謂追逐控制(Racing control),一般在下列何種狀況下發生? (A)風平浪靜時 (B)荒天駭浪時 (C)進出港時 (D)沿岸航行時
27.下列那一個盤上裝有比壓器和比流器? (A)發電機控制盤 (B)照明供電盤 (C)並聯盤 (D)充放電盤
28.有關變壓器功率的敘述,下列何者錯誤? (A)變壓器效率等於輸出功率與輸入功率之百分比 (B)輸出功率等於輸入功率減去耗損功率 (C)輸出功率恆大於輸入功率 (D)耗損功率包括鐵損及銅損
29.下圖中之運算放大器電路輸出電壓Vout應為多少?
(A)2 V (B)-2 V (C)4 V (D)-4 V
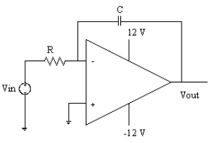
30. 下圖為何種運算放大器電路?(其中Vin為輸入,Vout為輸出)
(A)微分電路 (B)積分電路 (C)加法電路 (D)差動放大電路
31.下圖之電子符號代表何種電子元件?
(A)接面場效電晶體(JFET) (B)增強型金氧半場效電晶體(E-MOSFET) (C)空乏型金氧半場效電晶體(D-MOSFET) (D)雙極性電晶體(BJT)
32.若自然頻率固定,有關二階系統(Second order system)之敘述,下列何者錯誤? (A)阻尼比(Damping ratio)越大,安定時間(Settling time)越小 (B)阻尼比(Damping ratio)越大,上升時間(Rise time)越小 (C)阻尼比(Damping ratio)越大,最大超越量(Maximum overshoot)越小 (D)阻尼比(Damping ratio)越大,峰值時間(Peak time)越大
33.有關熱電偶(Thermocouple)之敘述,下列何者錯誤? (A)主要是測量溫度差 (B)主要利用席貝(Seebeck)效應 (C)適合量測高溫且價格低廉 (D)溫度測量範圍與熱電偶之材料無關
34. 已知交流負載的複功率(Complex power)S為S=P+jQ ,其中P為實功,Q為虛 功,j=√-1 ,則負載的功率因數PF為:
35.有關磁場的磁力線性質的敘述,下列何者錯誤? (A)磁場的磁力線為開放型的曲線 (B)磁場的磁力線間彼此不相交 (C)磁力線會尋找磁阻最小的路徑通過 (D)由磁場的磁力線之密集程度可顯示該磁場之強弱
36.下列何者能正確的說明磁場的歐姆定律? (A)磁場強度=磁通×磁阻 (B)磁場強度=磁通密度×磁阻 (C)磁動勢=磁通×磁阻 (D)磁動勢=磁通密度×磁阻
37.兩串聯開關所形成的電路應與下列那一邏輯閘相同? (A)OR (B)AND (C)NOT (D)XOR
38.現今重柴油主機商船配電盤(AC 440 V 3 Ø)之匯流排(Main bus)上,常有“隔離開關 (Disconnect switch)裝置”,其作用為何? (A)斷開匯流排聯結成左右兩部分 (B)抑制電流流經匯流排之震盪現象 (C)斷開匯流排上的特異接地部分 (D)抑制電流流經匯流排之集膚現象
39.柴油主機遙控系統的控制功能是由軟體來實現,而驅動機構採用氣動元件或電動元件者,為那一 型的控制系統? (A)電動式 (B)氣動式 (C)電-氣混合式 (D)微電腦式
40.慢速起動是在主機正常起動程序之前,先讓柴油主機緩慢轉動幾轉? (A)1~2轉 (B)5~10轉 (C)11~15轉 (D)16轉以上
申論題 (0)
相關試卷
115年 - 115年第一次航海人員測驗【602】二等管輪【000022】船用電機與自動控制概要#138328
115年 · #138328
115年 - 115-1 航海人員測驗 _ 一等管輪:船用電機與自動控制#137837
115年 · #137837
114年 - 114-4 航海人員測驗_二等管輪:船用電機與自動控制概要#133727
114年 · #133727
114年 - 114-4 航海人員測驗 _ 一等管輪:船用電機與自動控制#133524
114年 · #133524
114年 - 114-3 航海人員測驗_一等管輪:船用電機與自動控制概要#130590
114年 · #130590
114年 - 114-3 航海人員測驗_二等管輪:船用電機與自動控制概要#130417
114年 · #130417
114年 - 114 海岸巡防特種考試_三等_海洋巡護科輪機組:船用電機與自動控制#129555
114年 · #129555
114年 - [無官方正解]114-2 航海人員測驗_二等管輪:船用電機與自動控制概要#128256
114年 · #128256
114年 - 114-2 航海人員測驗_一等管輪:船用電機與自動控制#127546
114年 · #127546
114年 - 114-1 航海人員測驗_二等管輪:船用電機與自動控制概要#125848
114年 · #125848