阿摩線上測驗
登入
首頁
>
統測◆03電機類、04資電類◆(一)基本電學、基本電學實習、電子學、電子學實習
> 100年 - 100 四技二專統測_電機與電子群電機類、電機與電子群資電類_專業科目(一):電子學、基本電學#18257
100年 - 100 四技二專統測_電機與電子群電機類、電機與電子群資電類_專業科目(一):電子學、基本電學#18257
科目:
統測◆03電機類、04資電類◆(一)基本電學、基本電學實習、電子學、電子學實習 |
年份:
100年 |
選擇題數:
50 |
申論題數:
0
試卷資訊
所屬科目:
統測◆03電機類、04資電類◆(一)基本電學、基本電學實習、電子學、電子學實習
選擇題 (50)
1. 如圖(一)所示之交流R-L-C串聯電路,於穩態分析時,下列敘述何者正確?
2. 在圖(二)所示之交流電路中,電流 I
1
為何?(sin 36.9 0.6) ° =
(A) 24 ∠36.9° A (B) 12 ∠36.9° A (C) 24 ∠-36.9° A (D) 12 ∠36.9° A
3. 將電壓100V 與頻率159Hz 的交流電源連至 R-L 交流串聯電路中,若電阻上電流的大小 為4A 且兩端壓降的大小為60V ,則電感值L最接近下列何者? (A) 80mH (B) 60mH (C) 40mH (D) 20mH 的
4. 如圖(三)所示之交流 R-L-C 並聯電路,若電源為V = 600 ∠0 V ° 且R = 300Ω 、 X
L
= 720Ω 、 X
C
= 360Ω ,求電源的視在功率為何?
(A) 2000VA (B) 1500VA (C) 1300VA (D) 1250VA
【已刪除】5. 當交流R-L-C並聯電路發生諧振時,下列敘述何者正確? (A) 其諧振頻率
(B) 電路總功率因數為0 (C) 電路平均功率最大 (D) 電路總阻抗的絕對值最小 的
6. 某 Y 接正相序的平衡三相發電機接於平衡三相負載,則下列有關此三相發電機的敘述, 何者正確? (A) 線電流為相電流的 √3 倍 (B) 線電壓為相電壓的 √3 倍 (C) 三相電壓總合為1 (D) 三相電流總合為1 的
7. 某 Y 接正相序的平衡三相發電機接於平衡三相 △接負載,且其線電壓為 220V ,若該 △ 接負載為三個30Ω 的純電阻所構成,求此負載所消耗的平均功率為何? (A) 2.42kW (B) 4.84kW (C) 7.26kW (D) 9.68kW
8. 如圖(四)所示之電路中,求
I
S
與 I
L
分別為何? (A) I
S
= 2A , I
L
= 0A (B) I
S
=1A, I
L
= 0A (C) I
S
= 2A , I
L
= 6mA (D) I
S
=1A, I
L
= 6mA
9. 兩電燈泡 B1 與 B2 之規格如圖(五)所示,若該二燈泡之材質相同,則串聯時,下列敘述 何者正確?
(A) B1 較亮,流經 B1 的電流為 2.4A (B) B2 較亮,流經 B2 的電流為 2.4A (C) B1 較亮,流經 B1 的電流為 0.2A (D) B2 較亮,流經 B2 的電流為 0.2A
10. 如圖(六)所示之電路中,若V1為6 V ,則4Ω 電阻所消耗之功率為何?
(A) 0.1W (B) 0.5W (C) 1W (D) 5W
11. 如圖(七)所示之電路中,電流 I
1
與 I
2
分別為何?
(A) I
1
= 8A , I
2
= -1A (B) I
1
= -8A , I
2
=1A (C) I
1
= -4A, I
2
= 5A (D) I
1
= 4A , I
2
= -5A
12. 如圖(八)所示之電路中,當開關S 打開(開路)時,a 點電壓較b 點高24V ,S 閉合(短路) 時,b 點電壓較c 點高12V 。若將S 打開並在a 、b 兩端點間串接一可變電阻器,使此直流 線性有源電路有最大功率輸出,則此可變電阻器的電阻值應調整為何?
(A) 12Ω (B) 6Ω (C) 1Ω (D) 0Ω
13. 某一電阻為1kΩ ,額定功率為0.2W ,則其所能承受的最大額定電流為下列何者?√2=1.1414
(A)1.1414mA(B)2.828mA(C)14.14mA(D)28.28mA
14. 如圖(九)所示之電路中,電壓Vab 與電流 I 分別為何?
(A) Vab = -12V , I =1A (B) Vab =12V , I =1A (C) Vab = -12V , I = 0A (D) Vab =12V , I = 0A
15. 圖(十)(b)為圖(十)(a)的諾頓等效電路,求其等效電流 I
N
與等效電阻 R
N
分別為何?
(A) I
N
= -5A, R
N
= 9Ω (B) I
N
= 5A, R
N
= 11Ω (C) I
N
= 7A , R
N
= 9Ω (D) I
N
= -7A , R
N
=11 Ω
16. 某一110V 馬達驅動機械負載,若轉速穩定於2800rpm,輸出功率為1Hp,且消耗電流為 9A,此時該馬達的效率最接近下列何者? (A) 90 % (B) 85 % (C) 80 % (D) 75 % 的
17. 兩電容器電容值與耐壓規格分別為50μF/50V、100μF/150V ,將其並聯後,則此並聯電路 的總電容值與總耐壓規格為何? (A) 150μF/50V (B) 150μF/150V (C) 33.3μF/50V (D) 33.3μF/150V 的
18. 下列哪一種電容器用於電路上,其兩個接腳不能任意反接? (A) 陶質電容器 (B) 雲母電容器 (C) 電解質電容器 (D) 紙質電容器 的
19. 電容量為100μF的電容器,其兩端電壓差穩定於100V 時,該電容器所儲存的能量為何? (A) 0.5 焦耳 (B) 1 焦耳 (C) 1.125 焦耳 (D) 2.25 焦耳 的
20. 在磁通密度為 0.1 韋伯 / 平方公尺的磁場中,一長度為 50 公分之長直導線以 10 公尺/秒的 速度垂直於磁場方向移動以切割磁場,此移動方向也與導線的軸向垂直,則此導線兩端 的感應電勢為何? (A) 50mV (B) 0.5V (C) 5V (D) 50V 的
21. 一電感量為 2 亨利的電感器,若匝數增加為原來的 2 倍,當通過 2 安培電流時,其儲存 的能量為何? (A) 4 焦耳 (B) 8 焦耳 (C) 16 焦耳 (D) 32 焦耳 的
22. 如圖(十一)所示之電路,電容C 的電容值為2000μF,其初始電壓為300V。當t 0 = 秒時, 開關S 閉合,電容C 經由電阻R 放電,若電容電壓欲在1秒內降至初始電壓的40 %以下,且 放電電流愈小愈好,則下列電阻中何者最適宜?(e
-0.1
=0.905,e
-1
=0.368,e
-10
=4.54x10
-5)
(A) 5Ω (B) 50Ω (C) 500Ω (D) 5kΩ
23. 如圖(十二)所示之電路, E =100V , R =10kΩ , L = 20mH。t 0 = 秒時,開關S 閉合,若 電感 L 在開關閉合前無任何儲能,則t 2 = μs 時,此電感兩端電壓降VL 值為何?
(A) 0V (B) 36.8V (C) 90.5V (D) 100V
24. 將110V/60Hz的市電電壓以交流電壓瞬間值方程式v ( t ) 表示時,下列何者正確? (A) v(t) =110sin(60 t )V B) v(t)=110sin(377 t)V (C) v (t)= 156sin(60 t)V (D) v (t) = 56sin(377 t)V
25. 若電壓v(t) = 50sin(ωt +45t °)V ,電流i(t)= 10cos(ωt -45 °)A ,則下列何者正確? (A) v 領先 i 90° (B) v 落後i 90° (C) v 領先i 180° (D) v 與i 同相
26. 有 A、B 兩個獨立電壓源,A 串接一個100Ω 的負載電阻,B 串接一個50Ω 的負載電阻。 A 輸出之電壓為脈波,其工作週期( duty cycle )為64 %,高準位電壓為5V,低準位電壓 為0V ,頻率為50Hz ;B 輸出之電壓為5sin(50 )Vt 。 則下列敘述何者錯誤?
, (A) A 的電壓頻率較 B 高 (B) A 輸出的平均功率較 B 高 (C) A 的平均值電壓較 B 高 (D) A 的有效值電壓較 B 高 的
27. 下列有關各類二極體的敘述,何者錯誤? (A) 稽納二極體可作為產生參考電壓的元件 (B) 稽納二極體一般使用時,是在逆向偏壓下工作 (C) 一般發光二極體在使用時,是在順向偏壓下工作 (D) 發光二極體發光的波長與其偏壓的電壓值成正比 的
28. 如圖(十三)所示之電路,若稽納二極體之稽納電壓 V
z
= 8V ,逆向導通內阻 r
z
= 5Ω ,則通過 負載電阻 R
L
上的電流大小為何?
(A) 83.2mA (B) 64.0mA (C) 46.6mA (D) 40.0mA
29. a 有一發光二極體之順向導通電壓為1.7V ,導通電流為10mA ,欲使其正常的發光,則下列 哪一個電路是正確的?
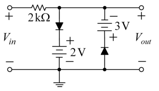
30. 如圖(十四)所示之電路中,二極體的切入(障壁)電壓為0.7V ,輸入電壓Vin 為15sin(60t )V , 則下列敘述何者正確?
(A) 輸出電壓Vout 最高為2.3V (B) 輸出電壓Vout 最低為-2.7 V (C) 輸出電壓Vout 最高為3.7 V (D) 通過2kΩ 電阻的最大電流為6.15 mA
31. 如圖(十五)所示之電路中,輸入電壓V in = 8sin(1000t )V ,若使用理想二極體且RC 電路的 放電效應可忽略,則下列有關輸出電壓Vout 的敘述,何者正確?
(A) 最大值為22V (B) 平均值為8V(C)有效值為
V(D)最小值為
V
32. 如圖(十六)所示之電路中,Vin 是接家中插座的交流電110V/60Hz, D
1
~ D
4
的切入電壓為 0.7V , D
5
的稽納電壓為12V ,若所有二極體的內阻都忽略不計,則下列敘述何者錯誤? ( √2 = 1.414)
(A) D
1
導通時, D
2
也導通 (B) 電容 C 兩端的最大電壓降為12V (C) 通過電阻 R 的最大電流約為6.5mA (D) D
1
與 D
2
所承受的峰值逆向電壓( PIV )大小相同
33. a 若量測電路中的 PNP 型雙極性接面電晶體,得知其射極接地,基極電壓為0.7V ,集極 電壓為-3V ,請問電晶體操作在哪個區域? (A) 截止區 (B) 順向主動區 (C) 飽和區 (D) 逆向主動區
34. 圖(十七)所示為雙極性接面電晶體的輸出特性曲線,其中直線為負載線,A、B、C、D 四個點為不同 I
B
時的工作點。已知I
B1
~ I
B4
分別為10μA 、20μA 、30μA、40μA ,在避免 失真產生的條件下,請問哪一點的輸入訊號振幅可以最大?
(A) A (B) B (C) C (D) D
35. 如圖(十八)所示之電路中,雙極性接面電晶體的V
BE
= 0.7V ,β =50,則 I
B
大小為何?
(A) 0.5mA (B) 0.25mA (C) 0.1mA (D) 0.05mA
36. 在具有射極電阻及射極旁路電容的共射極放大電路中,下列敘述何者正確? (A) 交流的電壓增益會受到射極直流電流大小的影響 (B) 直流電流會從旁路電容通過,可增加直流的電壓增益 (C) 對直流的工作點而言,旁路電容為負迴授的電路 (D) 若將旁路電容移除,直流的工作點會明顯改變 的
37. 下列有關由兩個共射極放大器構成 RC 耦合串級放大電路的敘述,何者正確? (A) 第一級直流工作點的變化會影響到第二級的直流工作點 (B) 高頻的電壓增益受到耦合電阻的影響而降低 (C) 第一級直流工作點的變化會影響到第二級的交流電壓增益 (D) 低頻的電壓增益受到耦合電容的影響而降低 的
38. 如圖(十九)所示之電路中,基極電壓為0.7V ,集極電壓為2V ,若熱電壓V
T
= 25mV,則 基極交流電阻r π 的值為何?
(A) 25Ω (B) 250Ω (C) 400Ω (D) 4kΩ
39. 如圖(二十)所示之電路,電晶體處於主動區 ( active region ),其 β 值為 89, I
i
為交流輸入 電流。已知基極交流電阻r
π
為1.9kΩ ,則交流電流增益 I
L
/ I
i
的值為何?
(A) 4.37 (B) 8.73 (C) 17.5 (D) 27.5
40. 如圖(二十一)所示,此曲線為下列何種 FET 的 I
D
-V
GS
特性曲線?( V
T
為臨界電壓)
(A) N 通道 JFET (B) N 通道空乏型 MOSFET (C) P 通道增強型 MOSFET (D) N 通道增強型 MOSFET
41. a 如圖(二十二)所示之理想運算放大器 ( OPA ) 組成的電路, 若兩個輸入端分別輸入有效值 電壓各為 10mV與 20mV之同頻率、同相位的正弦波信號,則該電路輸出Vo 的有效值為何?
(A) 50mV (B) 100mV (C) 150mV (D) -150mV
42. 如圖(二十三)所示之場效電晶體電路,已知汲極電阻參數 r
d
=1.3MΩ ,互導參數 g
m
= 0.8mA/V , R
S
=15kΩ, R
L
=10kΩ ,則電壓增益 Vo /Vi 之值為何?
(A) 0.72 (B) 0.83 (C) 0.95 (D) 1.08
43. 圖(二十四)為理想運算放大器組成的振盪電路,請問下列相關敘述何者正確?
(A) 僅適用於產生 10kHz 以下之低頻振盪信號 (B) 此電路為考畢子( Colpitts )振盪電路 (C) 電感值 L 愈大,振盪頻率愈高 (D) 屬於 RLC 相移振盪電路的一種
44. 如圖(二十五)所示的 MOSFET放大電路,若 I
D
=0.1(V
GS
-1.0)
2
mA,求直流電壓V
DS
值為何?
(A) 2V (B) 3V (C) 4V (D) 5V
45. 如圖(二十六)所示之理想運算放大器電路,則輸出電壓Vo 為何?
(A) 5V (B) 7.5V (C) 10V (D) -10V
46. 如圖(二十七)所示之理想運算放大器電路,求電壓增益 A
V
=Vo/Vi 值為何?
(A) 5 (B) 7 (C) 9 (D) 11
47. a 如圖(二十八)所示之理想運算放大器電路,該放大器電路為單端信號輸入,差動輸出, 求電壓增益 / A
V
=V
o
/V
i
為何?
(A) 2.52 (B) 4.34 (C) 6.83 (D) 9.34
48. 如圖(二十九)所示之 FET 放大器電路,若互導參數 g
m
=1.93mA/V 、 R
1
=1MΩ、 R
2
=150kΩ 、 R
S
= 2kΩ , R
D
= 3kΩ,求此放大器的交流輸入電阻 Ri 為何?
(A) 112kΩ (B) 130kΩ (C) 150kΩ (D) ∞
49. 若要將小信號的電壓及電流都放大,可採用下列何種放大電路? (A) 雙極性接面電晶體的共集極放大電路 (B) 雙極性接面電晶體的共射極放大電路 (C) 場效電晶體的共集極放大電路 (D) 場效電晶體的共汲極放大電路 的
50. 如圖(三十)所示之放大電路,已知電晶體的 β 值為109,此電路的 r
π
為1.1kΩ ,則此 放大電路的輸出電阻 R
o
為何?
(A) 1kΩ (B) 100Ω (C) 9.9Ω (D) 0.99Ω
申論題 (0)
相關試卷
115年 - [無官方正解]115 四技二專統測_電機與電子群電機類 電機與電子群資電類_專業科目(一):基本電學、基本電學實習、 電子學、電子學實習#139187
115年 · #139187
114年 - 114 四技二專統測_電機與電子群電機類 電機與電子群資電類_專業科目(一):基本電學、基本電學實習、 電子學、電子學實習#126877
114年 · #126877
113年 - 113 四技二專統測_電機與電子群電機、電資類_專業科目(一):基本電學、基本電學實習、 電子學、電子學實習#119627
113年 · #119627
112年 - 112 四技二專統測_電機與電子群電機、電資類_專業科目(一):基本電學(實習)、電子學(實習)#114333
112年 · #114333
111年 - 111 四技二專統測_電機與電子群電機、電資類_專業科目(一):電子學(含實習)、基本電學(含實習)#107683
111年 · #107683
110年 - 110 四技二專統測_電機與電子群電機類、電機與電子群電資類_專業科目(一):電子學、基本電學#98522
110年 · #98522
109年 - 109 四技二專統測_電機與電子群電機類、電機與電子群資電類_專業科目(一):電子學、基本電學#85155
109年 · #85155
108年 - 108 四技二專統測_電機與電子群電機類、電機與電子群資電類_專業科目(一):電子學、基本電學#79927
108年 · #79927
107年 - 107 四技二專統測_電機與電子群電機類、電機與電子群資電類_專業科目(一):電子學、基本電學#68917
107年 · #68917
106年 - 106 四技二專統測_電機與電子群電機類、電機與電子群資電類_專業科目(一):電子學、基本電學#61702
106年 · #61702