阿摩線上測驗
登入
首頁
>
電力系統
> 101年 - 101年專門職業及技術人員高等建築師、技師、第二次食品技師暨普通不動產經紀人、記帳士考高等_電機工程技師#29419
101年 - 101年專門職業及技術人員高等建築師、技師、第二次食品技師暨普通不動產經紀人、記帳士考高等_電機工程技師#29419
科目:
電力系統 |
年份:
101年 |
選擇題數:
0 |
申論題數:
9
試卷資訊
所屬科目:
電力系統
選擇題 (0)
申論題 (9)
一、何謂相量(Phasor)?試說明其物理意義及應用。在一電力系統中,電壓、電流、 阻抗及電功率是否均可以用相量表示?理由為何?請一併敘明。(20 分)
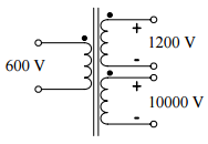
【已刪除】二、有一 60 Hz、單相、三繞組變壓器,如圖所示,額定電壓依序為 600/1200/10000 V,額 定功率分別為 400/100/300 kVA。若 600 V 電源係由此變壓器的 600 V 側饋入,並在1200 V 側掛上 15 Ω 的電阻負載,在 10000 V 側掛接 260 Ω 的電力電容器。假設電源 阻抗為零,試利用理想變壓器模型及以 1200 V 側電壓為參考(即其相位角設定為0°),計算各繞組之電流及負載量(kVA);另試問此變壓器是否有過載情況,若是, 請說明其情形。(20 分)
⑴請說明所發生的故障為何種短路故障型式;(5 分)
⑵試問故障線路故障前 是否有電流存在?若有,其值為何?(5 分)
⑶計算故障點總次暫態故障電流標么 (pu)值;(5 分)
⑷計算發電機送出之每相次暫態故障電流標么值。(5 分) ) 【註:上註標
(0)
、
(1)
及
(2)
分別代表零、正及負相序對稱分量。】
⑴若設定調速機(governors),使發電機均分負載,並忽略線路耗損(line losses) 及發電機極限(generator limits),試問當總負載為 P
D
=450MW時,發電總成 本為若干$/h?(8 分)
⑵若忽略輸電線路耗損及發電機極限,試求總負載為 = P
D
=450MW情況下,以經濟 調度使總燃料成本為最低時之各發電機發電量。(12 分)
【註:可採解析技巧(analytical technique)或利用疊代法(iterative method)求解, 惟利用疊代法求解時,須以起始估計值λ = 7.5 $/MWh 開始。】
五、有一部 2 極、60 Hz 同步發電機,額定功率為 250 MVA,功率因數為 0.8 滯後。在 同步轉速時,此發電機之動能(kinetic energy)為 1080 MJ,若發電機穩定地運轉 在同步轉速下,並在電力角(power angle)為 8 度電工角(electrical degrees)下, 送出 60 MW 功率到負載。當負載突然被移除時,試決定此時轉子的加速度。又假 設所計算之發電機加速度在 12 個週期內為一定值,試決定在第 12 個週期終點時之 電力角及轉速 rpm 值。(20 分)