阿摩線上測驗
登入
首頁
>
基本電學(概要)
> 101年 - 101 地方政府特種考試_四等_電力工程、電子工程、電信工程:基本電學#44437
101年 - 101 地方政府特種考試_四等_電力工程、電子工程、電信工程:基本電學#44437
科目:
基本電學(概要) |
年份:
101年 |
選擇題數:
0 |
申論題數:
10
試卷資訊
所屬科目:
基本電學(概要)
選擇題 (0)
申論題 (10)
⑴求電感上之電壓v
L
(t)為何?
⑵此時電感上對應之儲存能量為何?
⑶若在t =0
+
時,改將-10mV定電壓,時間為 1 秒之脈波電壓波形v(t)加於電感上時,試繪電 感上對應之電流i(t),假設若在t=0-之前,電感上無電流。(20 分)
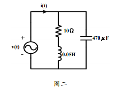
【已刪除】二、於圖二之交流電路中,若其均方根值(rms)交流電壓源為V=110∠0oV,頻率為 60Hz,求i(t),負載之平均消耗功率及功率因數。(20 分)
【已刪除】三、於圖三之△-Y平衡三相系統中,相序為abc,頻率為 60Hz,相阻抗Zy=21∠-15oΩ, 線電壓V
L
=240V(均方根值),試求:相電壓,線電流,電源之相電流及負載之總 功率。(20 分)
⑴請畫出除了負載RL之外的諾頓等效電路,
⑵當RL為何值時可 有最大功率?此時流經RL的電流為多少?功率為何?(20 分) 圖四
⑴若於t=0 時將開關S置於a處,10 mS(毫秒)時,試求v
c
,i
c
及 v
R 1
之值。
⑵若於t=70mS時將開關S置於b處,試求電壓v
c
,i
c
及 v
R 1
之表示式。
⑶若 於 t=88mS時將開關S置於c處後,試求電壓v
c
,i
c
及 v
R 1
之表示式;於t=160mS時vc ,i
c
及 v
R 1
之值分別為何? (20 分)
相關試卷
115年 - 115 關務特種考試_四等_電機工程(選試英文):基本電學#138955
115年 · #138955
115年 - 115-1 臺北市立大安高工教師甄選試題_電子/控制科:基本電學#138451
115年 · #138451
114年 - 114 關務特種考試_四等_電機工程(選試英文):基本電學#126651
114年 · #126651
113年 - 113 關務特種考試_四等_電機工程(選試英文)、電機工程(選試日文):基本電學#119481
113年 · #119481
112年 - 112 地方政府特種考試_四等_電力工程、電子工程、電信工程:基本電學#118330
112年 · #118330
112年 - 112 普通考試_電力工程、電子工程、電信工程:基本電學#115756
112年 · #115756
112年 - 112 關務特種考試_四等_電機工程:基本電學#113949
112年 · #113949
111年 - 111 地方政府特種考試_四等_電力工程、電子工程、電信工程:基本電學#112594
111年 · #112594
111年 - 111 中華郵政股份有限公司_職階人員資產營運及工程類科甄試試題_專業職(一)/電力工程:基本電學#111525
111年 · #111525
111年 - 111 普通考試_電力工程、電子工程、電信工程:基本電學#109349
111年 · #109349