所屬科目:基本電學(概要)
一、某帶電球體有正庫倫電量,求距球心 2 公尺處之電通量密度與電場強度。
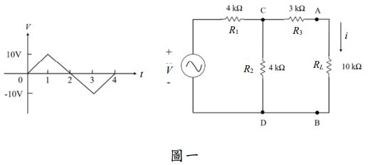
二、請求出圖一中流經 10 kΩ電阻的電流(i)波形為何?
三、已知圖二中 3μF 電容最初存有 10 V 電壓,當開關閉合後,求於並聯端上的最後電壓值。
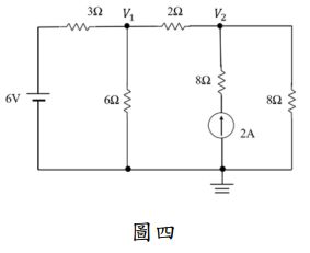
五、圖四之電路中,試求出節點電壓 V1 及 V2。